Product Summary
The sx14q004 is a Liquid Crystal Display.
Parametrics
sx14q004 absolute maximum ratings: (1)Power supply for logic, VDD-VSS: 0 to 6.0 V; (2)Contrast adjustment voltage, VCON-VSS: 0 to VDD V; (3)Input voltage, VI: -0.3 to VDD+0.3 V; (4)Input current, LI: 0 to 1 A.
Features
sx14q004 features: (1)Power supply for logic, VDD: 3.15 to 3.45 V; (2)Contrast adjustment voltage, VCON: 0.8 to 2.8 V; (3)Input voltage, VIN: 0.8VDD to VDD V; (4)Power supply current for logic, IDD: 130 to 150 mA; (5)Input leak current, ICON: 20 μA; (6)Contrast adjustment voltage, VCON: 1.5 to 2.0 V; (7)Frame frequency, FFLM: 60 to 80 Hz.
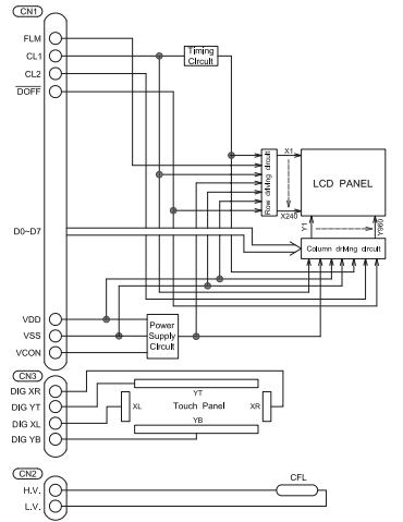
Diagrams

(Hong Kong)






