Product Summary
The upd71054gb is a high performance programmable timer/counter designed for timing control applications in microcomputer systems. The upd71054gb is fabricated by CMOS technology in order to relize low power consumption. The upd71054gb is the latest and the fastest version, which can be directly configured with top-of-line processors.
Parametrics
upd71054gb absolute maximum ratings: (1)power supply voltage, VDD: -0.5 to 7.0V; (2)input votlage, VI: -0.5 to VDD+0.3V; (3)output voltage, VO: -0.5 to VDD+0.3V; (4)operating temperature, Topt: -40 to 85℃; (5)storage temperature, Tstg: -65 to 150℃.
Features
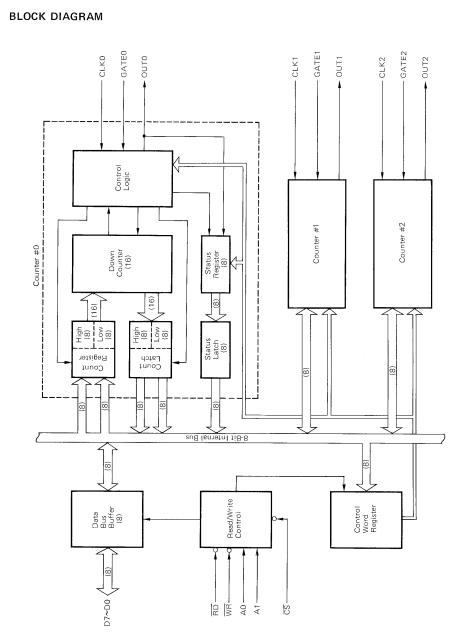
upd71054gb features: (1)three independently-operated 16-bit counters; (2)six count modes available for each counter; (3)binary/BDC count operation; (4)multiple latch command for easy monitoring; (5)CMOS; (6)+5V single power supply.
Diagrams

(Hong Kong)






