Product Summary
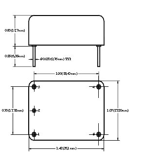
The xc1765xjc is an Oven Controlled Crystal Oscillator (OCXO) provides High and Ultra High Frequency with SC-cut stability performance, extremely low phase noise and power consumption, with variety of different output types in a standard 1.4x1” package – Europack.
Parametrics
xc1765xjc absolute maximum ratings: (1)Input Break Down Voltage VCC: -0.5 to 5.5 V; (2)Storage temp. Ts: -40 to 85°C; (3)Input Current Icc: 160 mA; (4)Output power P Sinewave Into 50 Ohm: 4 to 7 dBm; (5)Start up time Ts: 2 to 10 ms; (6)Control voltage Vc: 0 to 33 V; (7)Modulation bandwidth MB: 100 Hz.
Features
xc1765xjc features: (1)Very Low Power Consumption; (2)Very Low Phase Noise; (3)Excellent SC-cut Frequency Stability; (4)Ultra High Frequency – up to 1 GHz; (5)CMOS, Sine-Wave outputs available; (6)Stratum3E available.
Diagrams

(Hong Kong)






