Product Summary
The 2SC504 is an NPN triple diffused MESA type tansistor. Horizontal deflection output for high resolution display, color TV.
Parametrics
2SC504 absolute maximum ratings: (1)Collector-Base Voltage, VCBO: 1500V; (2)Collector-Emitter Voltage, VCEO: 600V; (3)Emitter-Base Voltage, VEBO: 5V; (4)Collector Current, DC, IC: 12A; Pulse, ICP: 24A; (5)Base Current, Ib: 6A; (6)Collector Power Dissipation (Tc = 25℃), PC: 50W; (7)Junction Temperature, Tj: 150℃; (8)Storage Temperature Range, Tstg: -55 to +150℃.
Features
2SC504 features: (1)high voltage: VCBO= 1500V; (2)Low saturation voltage: VCE(sat)= 3V(max.); (3)High speed: tf= 0.15μs(typ.); (4)Collector metal (fin) is fully covered with mold resin. ((IS) package).
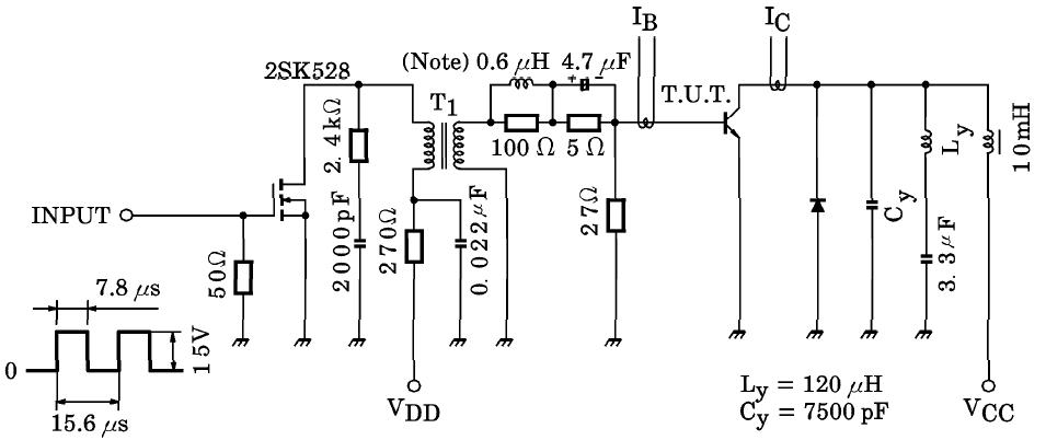
Diagrams

| Image | Part No | Mfg | Description | ![]() |
Pricing (USD) |
Quantity | ||||
|---|---|---|---|---|---|---|---|---|---|---|
![]() |
![]() 2SC5041 |
![]() Other |
![]() |
![]() Data Sheet |
![]() Negotiable |
|
||||
![]() |
![]() 2SC5042 |
![]() Other |
![]() |
![]() Data Sheet |
![]() Negotiable |
|
||||
![]() |
![]() 2SC5043 |
![]() Other |
![]() |
![]() Data Sheet |
![]() Negotiable |
|
||||
![]() |
![]() 2SC5045 |
![]() Other |
![]() |
![]() Data Sheet |
![]() Negotiable |
|
||||
![]() |
![]() 2SC5048 |
![]() Other |
![]() |
![]() Data Sheet |
![]() Negotiable |
|
||||
![]() |
![]() 2SC5049 |
![]() Other |
![]() |
![]() Data Sheet |
![]() Negotiable |
|
||||
(Hong Kong)









