Product Summary
The 2sc2290 is a transistor which can be used in low supply voltage. The 2sc2290 has 2~30MHz SSB linear power amplifier applications.
Parametrics
2sc2290 absolute maximum ratings: (1)Collector-Base Voltage: 45 V ; (2)Collector-Emitter Voltage: 45 V ; (3)Collector-Emitter Voltage: 18 V ; (4)Emitter-Base Voltage: 4 V ; (5)Collector Current: 20 A ; (6)Collector Power Dissipation: 175 W ; (7)Junction Temperature: 175°C; (8)Storage Temperature Range: -65°C~175°C.
Features
2sc2290 features: (1)Specified 12.5V, 28MHz Characteristics ; (2)Output Power : Po = 60WPEP (Min.) ; (3)Power Gain : Gp = 11.8dB (Min.) ; (4)Collector Efficiency : ηC = 35% (Min.) ; (5)Intermodulation Distortion : IMD =-30dB (Max.).
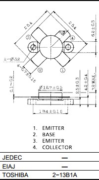
Diagrams

| Image | Part No | Mfg | Description | ![]() |
Pricing (USD) |
Quantity | ||||
|---|---|---|---|---|---|---|---|---|---|---|
![]() |
![]() 2SC2290A |
![]() Other |
![]() |
![]() Data Sheet |
![]() Negotiable |
|
||||
![]() |
![]() 2SC2290 |
![]() Other |
![]() |
![]() Data Sheet |
![]() Negotiable |
|
||||
(Hong Kong)









