Product Summary
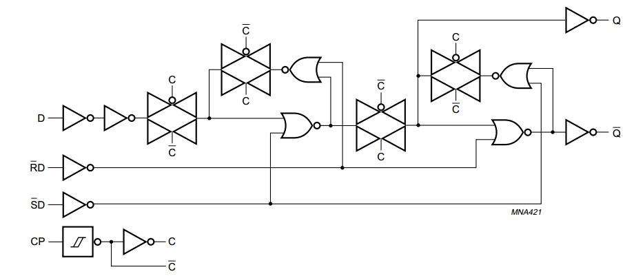
The 74HC74D is a high-speed Si-gate CMOS device and is pin compatible with low power Schottky TTL (LSTTL). The device is specified in compliance with JEDEC standard no. 7A. The 74HC74D is a dual positive-edge triggered, D-type flip-flop with individual data (D) inputs, clock (CP) inputs, set (SD) and reset (RD) inputs; also complementary Q andQ outputs. The set and reset are asynchronous active LOW inputs and operate independently of the clock input.
Parametrics
74HC74D absolute maximum ratings: (1)Supply voltage, VCC: -0.5 +7.0 V; (2)Input diode current, IIK: ±20 mA; (3)Output diode current, IOK: ±20 mA; (4)Output source or sink current, IO: ±25 mA; (5)VCC or GND current, ICC, IGND: ±100 mA; (6)Storage temperature, Tstg: -65 to +150℃; (7)Power dissipation, Ptot: 500 mW.
Features
74HC74D features: (1)Wide supply voltage range from 2.0 to 6.0V; (2)Symmetrical output impedance; (3)High noise immunity; (4)Low power dissipation; (5)Balanced propagation delays; (6)ESD protection: HBM EIA/JESD22-A114-A exceeds 2000 V; MM EIA/JESD22-A115-A exceeds 200 V.
Diagrams

| Image | Part No | Mfg | Description | ![]() |
Pricing (USD) |
Quantity | ||||||||||||
|---|---|---|---|---|---|---|---|---|---|---|---|---|---|---|---|---|---|---|
![]() |
![]() 74HC74DB,112 |
![]() NXP Semiconductors |
![]() Flip Flops DUAL D-TYPE POSITIVE |
![]() Data Sheet |
![]()
|
|
||||||||||||
![]() |
![]() 74HC74DTR2G |
![]() ON Semiconductor |
![]() Flip Flops DUAL D TYPE FLIP FLOP |
![]() Data Sheet |
![]()
|
|
||||||||||||
![]() |
![]() 74HC74DR2G |
![]() ON Semiconductor |
![]() Flip Flops DUAL D TYPE FLIP FLOP |
![]() Data Sheet |
![]()
|
|
||||||||||||
![]() |
![]() 74HC74DB-T |
![]() NXP Semiconductors |
![]() Flip Flops DUAL D-TYPE POSITIVE EDGE-TRIG |
![]() Data Sheet |
![]() Negotiable |
|
||||||||||||
![]() |
![]() 74HC74DB,118 |
![]() NXP Semiconductors |
![]() Flip Flops DUAL D-TYPE POSITIVE |
![]() Data Sheet |
![]()
|
|
||||||||||||
![]() |
![]() 74HC74DB |
![]() NXP Semiconductors |
![]() Flip Flops DUAL D-TYPE POSITIVE EDGE-TRIG |
![]() Data Sheet |
![]() Negotiable |
|
||||||||||||
![]() |
![]() 74HC74D,653 |
![]() NXP Semiconductors |
![]() Flip Flops DUAL D-TYPE POSITIVE EDGE-TRIG |
![]() Data Sheet |
![]()
|
|
||||||||||||
![]() |
![]() 74HC74D,652 |
![]() NXP Semiconductors |
![]() Flip Flops DUAL D F/F POS-EDGE |
![]() Data Sheet |
![]()
|
|
||||||||||||
(Hong Kong)











