Product Summary
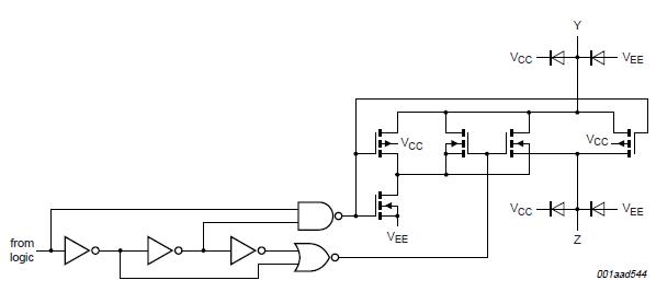
The 74HCT4053D is a high-speed Si-gate CMOS device and is pin compatible with the HEF4053B. It is specified in compliance with JEDEC standard no. 7A. The 74HCT4053D is triple 2-channel analog multiplexer/demultiplexer with a common enable input (E). Each multiplexer/demultiplexer has two independent inputs/outputs (nY0 and nY1), a common input/output (nZ) and three digital select inputs (Sn). With E LOW, one of the two switches is selected (low-impedance ON-state) by S1 to S3. With E HIGH, all switches are in the high-impedance OFF-state, independent of S1 to S3. The applications of the 74HCT4053D include Analog multiplexing and demultiplexing, Digital multiplexing and demultiplexing, Signal gating.
Parametrics
74HCT4053D asbolute maximum ratings: (1)supply voltage, VCC: -0.5 to +11.0 V; (2)input clamping current, VI < -0.5 V or VI > VCC +0.5 V, IIK: ±20 mA; (3)switch clamping current, VS < -0.5 V or VS > VCC +0.5 V, ISK: ±20 mA; (4)switch current, -0.5 V < VS < VCC +0.5 V, IS: ±25 mA; (5)negative supply current, IEE: -20 mA; (6)quiescent supply current, ICC: - 50 mA; (7)ground current, IGND: -50 mA; (8)storage temperature, Tstg: -65 to +150℃; (9)total power dissipation, Tamb = -40℃ to + 125℃, DIP16; package, Ptot: 750 mW; SO16 package, Ptot: 500 mW; SSOP16; package, Ptot: 500 mW; TSSOP16 package, Ptot: 500 mW; DHVQFN16 package, Ptot: 500 mW; (10)power dissipation per switch, PS: 100 mW.
Features
74HCT4053D features: (1)Low ON resistance: 80 W (typical) at VCC - VEE = 4.5 V; 70 W (typical) at VCC - VEE = 6.0 V; 60 W (typical) at VCC - VEE = 9.0 V; (2)Logic level translation: To enable 5 V logic to communicate with ±5 V analog signals; (3)Typical ‘break before make’ built in; (4)Complies with JEDEC standard no. 7A; (5)ESD protection: HBM EIA/JESD22-A114-C exceeds 2000 V; MM EIA/JESD22-A115-A exceeds 200 V; (6)Multiple package options; (7)Specified from -40℃ to +85℃ and from -40℃ to +125℃.
Diagrams

| Image | Part No | Mfg | Description | ![]() |
Pricing (USD) |
Quantity | ||||||||||||
|---|---|---|---|---|---|---|---|---|---|---|---|---|---|---|---|---|---|---|
![]() |
![]() 74HCT4053D |
![]() NXP Semiconductors |
![]() Multiplexer Switch ICs TRIPLE 2-CH MUX/DMUX |
![]() Data Sheet |
![]() Negotiable |
|
||||||||||||
![]() |
![]() 74HCT4053D,112 |
![]() NXP Semiconductors |
![]() Multiplexer Switch ICs TRIPLE 2-CH MUX/DMUX |
![]() Data Sheet |
![]()
|
|
||||||||||||
![]() |
![]() 74HCT4053D,118 |
![]() NXP Semiconductors |
![]() Multiplexer Switch ICs TRIPLE 2-CHANNEL MUX/DEMUX |
![]() Data Sheet |
![]()
|
|
||||||||||||
![]() |
![]() 74HCT4053DB,118 |
![]() NXP Semiconductors |
![]() Multiplexer Switch ICs TRIPLE 2-CHANNEL |
![]() Data Sheet |
![]()
|
|
||||||||||||
![]() |
![]() 74HCT4053DB,112 |
![]() NXP Semiconductors |
![]() Multiplexer Switch ICs TRIPLE 2-CHANNEL |
![]() Data Sheet |
![]()
|
|
||||||||||||
![]() |
![]() 74HCT4053DB |
![]() NXP Semiconductors |
![]() Multiplexer Switch ICs TRIPLE 2-CHANNEL MUX/DEMUX |
![]() Data Sheet |
![]() Negotiable |
|
||||||||||||
![]() |
![]() 74HCT4053DB-T |
![]() NXP Semiconductors |
![]() Multiplexer Switch ICs TRIPLE 2-CHANNEL MUX/DEMUX |
![]() Data Sheet |
![]() Negotiable |
|
||||||||||||
(Hong Kong)










