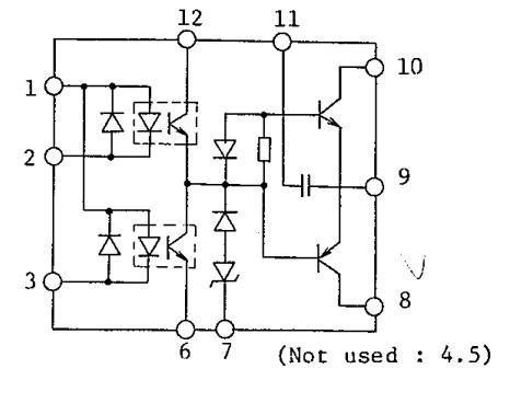
Product Summary
The EXB357-X is a hybrid-IC base driver used in Fuji transistor modules. It includes opto-couplers for the electrical isolation between in-put side and output side of base drive circuit and can drive a wide range of transistor modules. The EXB357-X is contained in a small-sized 10-pin, in-line package and is most suitable for transistor inverters. The applications of the EXB357-X include drive for transistors such as transistor inverters.
Parametrics
EXB357-X absolute maximum ratings: (1)Forward bias supply-voltage, VCC: 10V; (2)Reverse bias supply-voltage, VEE: -10V; (3)Input current, IIN: 2.6 to 9mA; (4)Forward bias output current, IB1: 1.3A; (5)Reverse bias output current, IB2: 3.4A; (6)Power dissipation, PD: 0.7W; (7)Isolation voltage, VISO: 2500V; (8)Operating ambient temperature, TA: -10 to 55℃; (9)Surface temperature while operating, TC: -10 to 85℃; (10)Storaqge temperature, Tstg: -25 to 125℃.
Features
EXB357-X features: (1)Includes opto-coupler; input and output are isolated electrically; (2)IC has a high output current; (3)Drives high dv/dt; (4)Short switching time; (5)CMOS and TTL drives are available.
Diagrams

(Hong Kong)






