Product Summary
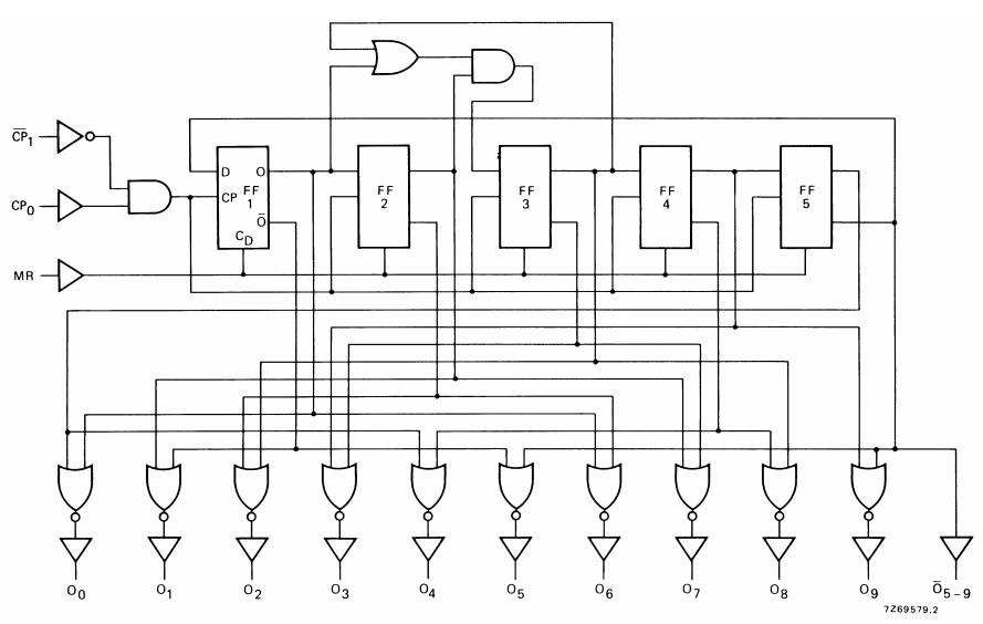
The HEF4017BT is a 5-stage Johnson decade counter with ten spike-free decoded active HIGH outputs (Ooto O9), an active LOW output from the most significant flip-flop (O5-9), active HIGH and active LOW clock inputs (CP0,CP1) and an overriding asynchronous master reset input (MR). The counter is advanced by either a LOW to HIGH transition at CP0whileCP1is LOW or a HIGH to LOW transition atCP1while CP0is HIGH (see also function table). The applications of the HEF4017BT include Industrial and automotive.
Parametrics
HEF4017BT absolute maximum ratings: (1)supply voltage, VDD: -0.5 +18 V; (2)input clamping current, IIK: ±10 mA; (3)input voltage, VI: -0.5 VDD +0.5 V; (4)output clamping current, IOK: ±10 mA; (5)input/output current, II/O: ±10 mA.
Features
HEF4017BT features: (1)Automatic counter correction; (2)Tolerant of slow clock rise and fall times; (3)Fully static operation; (4)5 V, 10 V, and 15 V parametric ratings; (5)Standardized symmetrical output characteristics; (6)Operates across the automotive temperature range -40℃ to +125℃; (7)Complies with JEDEC standard JESD 13-B; (8)ESD protection: HBM JESD22-A114E exceeds 2000 V; MM JESD22-A115-A exceeds 200.
Diagrams

| Image | Part No | Mfg | Description | ![]() |
Pricing (USD) |
Quantity | ||||||||||||
|---|---|---|---|---|---|---|---|---|---|---|---|---|---|---|---|---|---|---|
![]() |
![]() HEF4017BT,652 |
![]() NXP Semiconductors |
![]() Counter ICs 5ST JOHNSON COUNTER 10 DECODED OUTPUTS |
![]() Data Sheet |
![]()
|
|
||||||||||||
![]() |
![]() HEF4017BT,653 |
![]() NXP Semiconductors |
![]() Counter ICs 5-STAGE JOHNSON COUNTER |
![]() Data Sheet |
![]()
|
|
||||||||||||
(Hong Kong)









