Product Summary
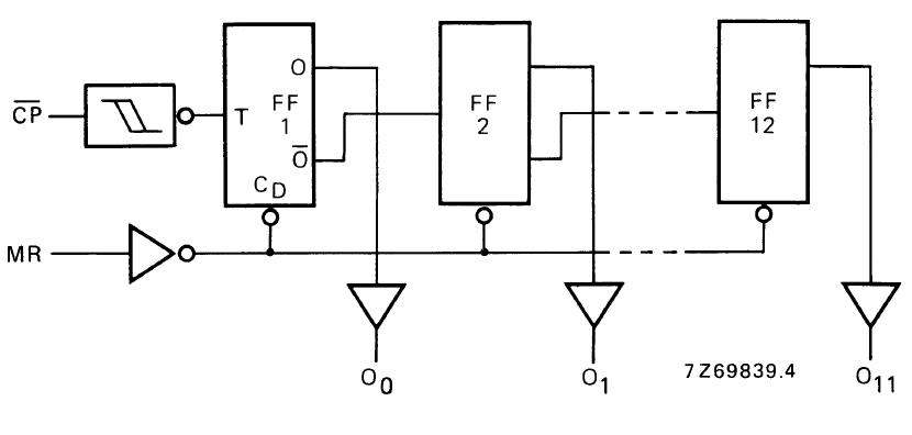
The HEF4040BT is a 12-stage binary ripple counter with a clock input (CP), an overriding asynchronous master reset input (MR) and twelve fully buffered outputs (O0 to O11). The HEF4040BT advances on the HIGH to LOW transition of CP. A HIGH on MR clears all counter stages and forces all outputs LOW, independent of CP. Each counter stage is a static toggle flip-flop. Schmitt-trigger action in the clock input makes the circuit highly tolerant to slower clock rise and fall times. The applications of the HEF4040BT include Frequency dividing circuits, Time delay circuits, Control counters.
Parametrics
HEF4040BT absolute maximum ratings: (1)VDD, supply voltage: -0.5 to +18 V; (2)IIK, input clamping current: ±10 mA; (3)VI, input voltage: -0.5 to VDD +0.5 V; (4)IOK, output clamping current: ±10 mA; (5)II/O, input/output current: ±10 mA; (6)IDD, supply current: 50 mA; (7)Tstg, storage temperature: -65 to +150℃; (8)Tamb, ambient temperature: -40 to +85℃; (9)Ptot, total power dissipation Tamb: -40℃ to +85℃; (10)DIP16, package: 750 mW; (11)SO16, package: 500 mW; (12)P, power dissipation per output: 100 mW.
Features
HEF4040BT features: (1)High speed operation; (2)Fully static operation; (3)5 V, 10 V, and 15 V parametric ratings; (4)Standardized symmetrical output characteristics; (5)Operates across the full industrial temperature range -40℃ to +85℃; (6)Complies with JEDEC standard JESD 13-B; (7)ESD protection: HBM JESD22-A114E exceeds 2000 V; MM JESD22-A115-A exceeds 200 V.
Diagrams

| Image | Part No | Mfg | Description | ![]() |
Pricing (USD) |
Quantity | ||||||||||||
|---|---|---|---|---|---|---|---|---|---|---|---|---|---|---|---|---|---|---|
![]() |
![]() HEF4040BTD |
![]() NXP Semiconductors |
![]() Counter ICs 12ST BIN RIP COUNTER |
![]() Data Sheet |
![]() Negotiable |
|
||||||||||||
![]() |
![]() HEF4040BT,653 |
![]() NXP Semiconductors |
![]() Counter ICs 12-STAGE BINARY COUNTER |
![]() Data Sheet |
![]()
|
|
||||||||||||
![]() |
![]() HEF4040BT,652 |
![]() NXP Semiconductors |
![]() Counter ICs 12ST BIN RIP COUNTER |
![]() Data Sheet |
![]()
|
|
||||||||||||
(Hong Kong)









