Product Summary
The MC56F8357VPYE(XAA1049) is a core-based family of controller. Each combines, on a single chip, the processing power of a Digital Signal Processor (DSP) and the functionality of a microcontroller with a flexible set of peripherals to create an extremely cost-effective solution. Because of its low cost, configuration flexibility, and compact program code, the MC56F8357VPYE(XAA1049) is well-suited for many applications. The MC56F8357VPYE(XAA1049) includes many peripherals that are especially useful for motion control, smart appliances, steppers, encoders, tachometers, limit switches, power supply and control, automotive control (56F8357 only), engine management, noise suppression, remote utility metering, industrial control for power, lighting, and automation applications.
Parametrics
MC56F8357VPYE(XAA1049) absolute maximum ratings: (1)Supply Voltage VDD_IO: -0.3 to 4.0 V; (2)ADC Supply Voltage VDDA_ADC,VREFH VREFH must be less than or equal to VDDA_ADC: -0.3 to 4.0 V; (3)Oscillator / PLL Supply Voltage VDDA_OSC_PLL: -0.3 to 4.0 V; (4)Internal Logic Core Supply Voltage VDD_CORE OCR_DIS is High: -0.3 to 3.0 V; (5)Input Voltage (digital) VIN Pin Groups 1, 2, 5, 6, 9, 10: -0.3 to 6.0 V; (6)Input Voltage (analog) VINA Pin Groups 11, 12, 13: -0.3 to 4.0 V; (7)Output Voltage VOUT Pin Groups 1, 2, 3, 5, 6, 7, 8: -0.3 to 4.0V; (8)Output Voltage (open drain) VOD Pin Group: -0.3 to 6.0 V; (9)Ambient Temperature (Automotive) TA: -40 to 125 °C; (10)Ambient Temperature (Industrial) TA: -40 to 105 °C; (11)Junction Temperature (Automotive) TJ: -40 to 150 °C; (12)Junction Temperature (Industrial) TJ: -40 to 125 °C; (13)Storage Temperature (Automotive) TSTG: -55 to 150 °C; (14)Storage Temperature (Industrial) TSTG: -55 to 150 °C.
Features
MC56F8357VPYE(XAA1049) features: (1)Efficient 16-bit 56800E family controller engine with dual Harvard architecture; (2)Up to 60 Million Instructions Per Second (MIPS) at 60 MHz core frequency; (3)Single-cycle 16 16-bit parallel Multiplier-Accumulator (MAC); (4)Four 36-bit accumulators, including extension bits; (5)Arithmetic and logic multi-bit shifter; (6)Parallel instruction set with unique DSP addressing modes; (7)Hardware DO and REP loops; (8)Three internal address buses; (9)Four internal data buses; (10)Instruction set supports both DSP and controller functions; (11)Controller-style addressing modes and instructions for compact code; (12)Efficient C compiler and local variable support; (13)Software subroutine and interrupt stack with depth limited only by memory; (14)JTAG/EOnCE debug programming interface.
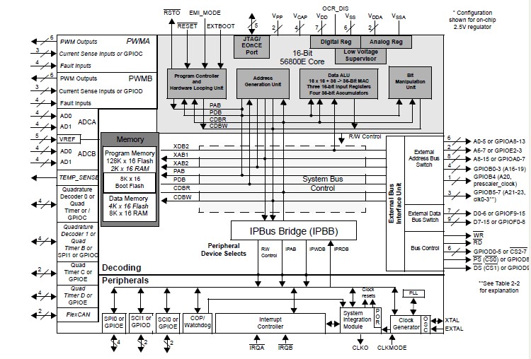
Diagrams

(Hong Kong)







