Product Summary
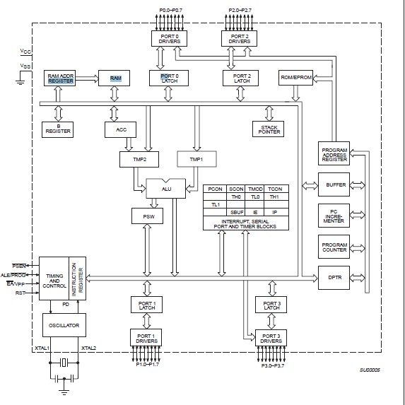
The P87C550EBPN is a high-performance microcontroller fabricated with Philips high-density CMOS technology. The P87C550EBPN is a technology combines the high speed and density characteristics of HMOS with the low power attributes of CMOS. Philips epitaxial substrate minimizes latch-up sensitivity. The P87C550EBPN has the same instruction set as the 80C51.
Parametrics
P87C550EBPN absolute maximum ratings: (1)Operating temperature under bias: –40 to +85 °C; (2)Storage temperature range:–65 to +150 °C; (3)Voltage on EA/VPP pin to VSS: 0 to +13.0 V; (4)Voltage on any other pin to VSS: –0.5 to +6.5 V; (5)Input, output current on any two I/O pins: ±10 mA; (6)Power dissipation: 1.5 W.
Features
P87C550EBPN features: (1)4k × 8 EPROM (87C550)/ROM (83C550); (2)128 × 8 RAM; (3)Eight channels of 8-bit A/D; (4)Two 16-bit counter/timers; (5)Watchdog timer; (6)Full duplex serial channel; (7)Boolean processor; (8)64k ROM and 64k RAM.
Diagrams

(Hong Kong)






