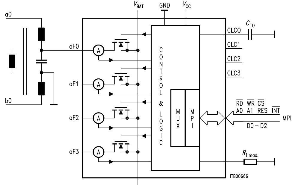
Product Summary
The PEB2025NV1.5 is an integrated power controller especially designed for feeding two- and four wire transmission lines. The IEPC is fully compatible to the CCITT recommendations on power feed at the “S”-interface. So the IEPC can be used in PABX/Central Office and in intelligent NT’s. The PEB2025NV1.5 supplies power up to four transmission lines. Each line is individually powered and controlled via microprocessor interface. An interrupt output signals any malfunction to the microprocessor.
Parametrics
PEB2025NV1.5 absolute maximum ratings: (1)VBAT referred to GND, VBAT: -70 to 0.3 V; (2)V CC referred to GND, VCC: -0.5 to 6 V; (3)Voltage on pins aF0 - aF3, VF: VBAT to VCC V; (4)Continuous current on pins aF0 - aF3 only one channel, IF: 200mA; all channels at the same time; TA = 25℃, IF: 200mA; all channels at the same time; TA = 70℃, IF: 130mA; (5)Reverse current on pins at aF0 - aF3, IF: 0mA; (6)Voltage on any other pins referred to GND, VI: -0.5 to VCC + 0.5 V; (7)Power dissipation, PD: 1W; (8)Ambient temperature under bias, TA: -25 to 85℃; (9)Storage temperature, Tstg: -40 to 125℃; (10)Thermal resistance system to case, RthSA: 50 K/W.
Features
PEB2025NV1.5 features: (1)Supplies power to up to four transmission lines; (2)CCITT recommendations compatible for power feed at the “S” interface; (3)Each line is individually powered and controlled; (4)Wide field of applications: two- and four wire transmission lines; point-to-point configurations; point-to-multipoint configurations; (5)Maximum output current programmable up to 150 mA; (6)Programmable switch-off characteristic by overcurrent detection; (7)Automatic restart after removing overload conditions; (8)Status detectors for each line driver; (9)Microprocessor compatible interface; (10)Interrupt output for detection of any malfunction; (11)High voltage CMOS technology (60 V).
Diagrams

(Hong Kong)






