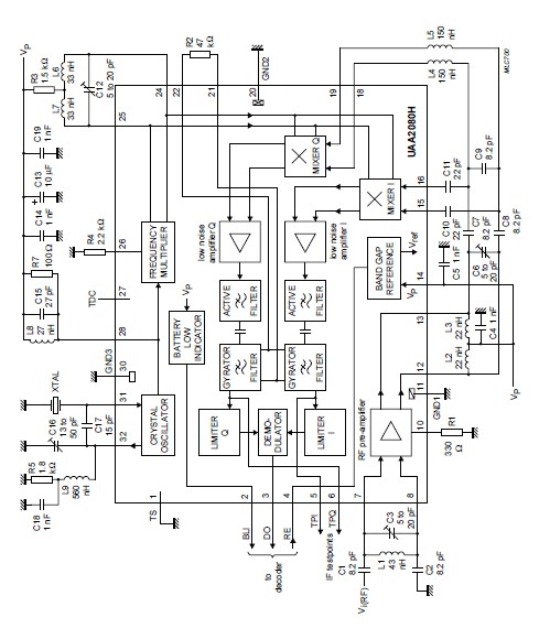
Product Summary
The UAA2080H is a high-performance low-power radio receiver circuit primarily intended for VHF, UHF and 900 MHz pager receivers for wide area digital paging systems, employing direct FM non-return-to-zero (NRZ) frequency shift keying (FSK). Applications are (1)Wide area paging; (2)On-site paging; (3)Telemetry; (4)RF security systems; (5)Low bit-rate wireless data links.
Parametrics
UAA2080H absolute maximum ratings: (1)VP supply voltage: 1.9 to 3.5 V; (2)IP supply current: 2.3 to 3.2 mA; (3)IP(off)stand-by current: 3 mA; (4)Vth detection threshold for battery LOW indicator: 1.95 to 2.15 V; (5)Tamb operating ambient temperature: -10 to +70 °C.
Features
UAA2080H features: (1)Wide frequency range: VHF, UHF and 900 MHz bands; (2)High sensitivity; (3)High dynamic range; (4)Electronically adjustable filters on chip; (5)Suitable for data rates up to 2400 bits/s; (6)Wide frequency offset and deviation range; (7)Fully POCSAG compatible FSK receiver; (8)Power on/off mode selectable by the chip enable input; (9)Low supply voltage; low power consumption; (10)High integration level; (11)Interfaces directly to the PCA5000A, PCF5001 and PCD5003 POCSAG decoders.
Diagrams

(Hong Kong)






