Product Summary
The UPD78053GC-A35-8BT is an 8-bit single-chip microcomputer. The UPD78053GC-A35-8BT has various peripheral hardware such as timer, serial interface and interrupt function. A one-time PROM or EPROM product, the device, capable of operating in the same power supply voltage range as that of the mask ROM product and other development tools is provided.
Parametrics
UPD78053GC-A35-8BT absolute maximum ratings: (1)Supply voltage, VDD: -0.3 to +7.0 V; (2)Input voltage, VI1 P00 to P04, P10 to P17, P20 to P27, P30 toP37: -0.3 to VDD +0.3 V; P40 to P47, P50 to P57, P64 to P67, X1, X2, XT2 VI2 P60 to P67 Open-drain: -0.3 to +16 V; (3)Output voltage, VO: -0.3 to VDD +0.3 V; (4)Output current high, IOH, 1 pin: -10 mA; P10 to P17, P20 to P27, P30 to P37 total: -15 mA; P01 to P03, P40 to P47, P50 to P57, P60 to P67 total: -15 mA; (5)Output current low, IOL, 1 pin Peak value: 30 mA; Effective value: 15 mA; P40 to P47, P50 to P55 total Peak value: 100 mA; Effective value: 70 mA; P01 to P03, P56, P57, Peak value: 100 mA; P60 to P67 total Effective value: 70 mA; P01 to P03, Peak value: 50 mA; P64 to P67 total Effective value: 20 mA; P10 to P17, P20 to P27, P30 to P37 Peak value: 50 mA; total Effective value: 20 mA; (6)Operating ambient temperature, TA: -40 to +85℃; (7)Storage temperature, Tstg: -65 to +150℃.
Features
UPD78053GC-A35-8BT features: (1)The μPD78001B, in comparison with the 78002B, is a higher reliability device, as a result of a more comprehensive quality assurance program (Refer to Quality Grade on NEC Semiconductor Devices (IEI-1209)); (2)Large on-chip ROM & RAM; (3)External memory expansion space: 64K bytes; (4)Instruction execution time can be varied from high-speed(0.4μs) to ultra-low-speed (122μs); (5)I/O ports: 53 (N-ch open-drain: 4); (6)Serial interface: 1 channel; (7)Timer: 4 channels; (8)Operating voltage range: 2.7 to 6.0V.
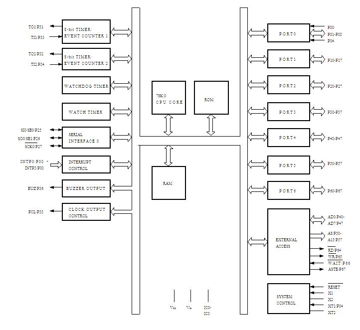
Diagrams

(Hong Kong)







