Product Summary
The apt10050jn is an N-channel enchancement mode high voltage power mosfet.
Parametrics
apt10050jn absolute maximum ratings: (1) Drain-Source Voltage VDSS: 1000V; (2) Continuous Drain Current @ TC=25°C, ID: 20.5A; (3) Pulsed Drain Current and Inductive Current Clamped IDM, ILM: 82A; (4) Gate-Source Voltage VGS: ±30V; (5) Total Power Dissipation @ TC=25°C, PD: 520W, Linear Derating Factor: 4.16W/°C; (6) Operating and Storage Junction Temperature Range TJ, TSTG: -55 to 150°C; (7) Lead Temperature: 0.063 inch from Case for 10 Sec.TL: 300°C.
Features
apt10050jn features: (1) Drain-Source Breakdown Voltage (VGS=0V, ID=250μA) : 1000V; (2) On State Drain Current (VDS>ID (ON) × RDS (ON) Max, VGS=10V) ID (ON) : 20.5A; (3) Drain-Source On-State Resistance (VGS=10V, 0.5 ID Cont.) RDS (ON) : 0.5Ohms; (4) Zero Gate Voltage Drain Current (VDS=VDSS, VGS=0V) IDSS: 250μA, Zero Gate Voltage Drain Current (VDS=VDSS, VGS=0V, Tc=125°C) : 1000μA; (5) Gate-Source Leakage Current (VGS=±30V, VDS=0V) , IGSS: ±100nA; (6) Gate Threshold Voltage (VDS=VGS, ID=2.5mA) VGS (TH) : 2 to 4V.
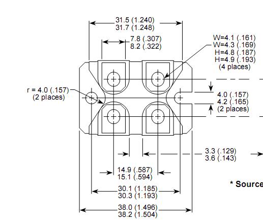
Diagrams

| Image | Part No | Mfg | Description | ![]() |
Pricing (USD) |
Quantity | ||||
|---|---|---|---|---|---|---|---|---|---|---|
![]() |
![]() APT10050JN |
![]() Other |
![]() |
![]() Data Sheet |
![]() Negotiable |
|
||||
| Image | Part No | Mfg | Description | ![]() |
Pricing (USD) |
Quantity | ||||
![]() |
![]() APT1001R1AN |
![]() Other |
![]() |
![]() Data Sheet |
![]() Negotiable |
|
||||
![]() |
![]() APT1001R1AVR |
![]() Other |
![]() |
![]() Data Sheet |
![]() Negotiable |
|
||||
![]() |
![]() APT1001R1BN |
![]() Other |
![]() |
![]() Data Sheet |
![]() Negotiable |
|
||||
![]() |
![]() APT1001R1BVFR |
![]() Other |
![]() |
![]() Data Sheet |
![]() Negotiable |
|
||||
![]() |
![]() APT1001R1HN |
![]() Other |
![]() |
![]() Data Sheet |
![]() Negotiable |
|
||||
![]() |
![]() APT1001R1HVR |
![]() Other |
![]() |
![]() Data Sheet |
![]() Negotiable |
|
||||
(Hong Kong)









