Product Summary
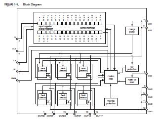
The ata6831c-piqw is a triple half-bridge driver with SPI and PWM. It provides fully protected driver interfaces designed in SOI technology. The ata6831c-piqw is used to allow a microcontroller to control up to three different loads in automotive and industrial applications. The ata6831c-piqw is capable of driving currents up to 1.0A. Due to the enhanced PWM signal (up to 25kHz) it is possible to generate a smooth control of, for example, a DC motor without any noise. The ata6831c-piqw is internally connected to form three half-bridges and can be controlled separately from a standard serial data interface, enabling all kinds of loads, such as bulbs, resistors, capacitors and inductors, to be combined. The IC design especially supports the application of H-bridges to drive DC motors.
Parametrics
ata6831c-piqw absolute maximum ratings: (1)Supply voltage 10, 11 VVS: –0.3 to +40 V; (2)Supply voltage t < 0.5s; IVS > –2A 10, 11 VVS: –1 V; (3)Logic supply voltage 9 VVCC: –0.3 to +7 V; (4)Logic input voltage 3, 4, 5, 6 VCS, VDI, VCLK, VPWM: –0.3 to VVCC + 0.3 V; (5)Logic output voltage 7 VDO: –0.3 to VVCC + 0.3 V; (6)Input current 3, 4, 5, 6 ICS, IDI, ICLK, IPWM: –10 to +10 mA; (7)Output current 7 IDO: –10 to +10 mA; (8)Output voltage 2, 12, 15 IOut1, IOut2, IOut3: –0.3 to +40 V; (9)Reverse conducting current (tpulse = 150μs) 2, 12, 15 IOut1, IOut2, IOut3: 17 A; (10)Junction temperature range TJ: –40 to +150 ℃; (11)Storage temperature range TSTG: –55 to +150 ℃.
Features
ata6831c-piqw features: (1)Supply Voltage up to 40V; (2)RDSon Typically 0.8Ω at 25℃, Maximum 1.5Ω at 150℃; (3)Up to 1.0A Output Current; (4)Three Half-bridge Outputs Formed by Three High-side and Three Low-side Drivers; (5)Capable of Switching Loads such as DC Motors, Bulbs, Resistors, Capacitors, and Inductors; (6)PWM Capability up to 25kHz for Each High-side Output Controlled by External PWM Signal; (7)No Shoot-through Current; (8)Very Low Quiescent Current IVS < 2μA in Standby Mode over Total Temperature Range; (9)Outputs Short-circuit Protected; (10)Selective Overtemperature Protection for Each Switch and Overtemperature Prewarning; (11)Undervoltage Protection; (12)Various Diagnostic Functions such as Shorted Output, Open Load, Overtemperature and Power-supply Fail Detection; (13)Serial Data Interface, Daisy Chain Capable, up to 2MHz Clock Frequency; (14)QFN18 Package.
Diagrams

| Image | Part No | Mfg | Description | ![]() |
Pricing (USD) |
Quantity | ||||||||||
|---|---|---|---|---|---|---|---|---|---|---|---|---|---|---|---|---|
![]() |
![]() ATA6831C-PIQW |
![]() Atmel |
![]() Power Driver ICs TRIPLE HALFBRIDGE DRVR |
![]() Data Sheet |
![]()
|
|
||||||||||
| Image | Part No | Mfg | Description | ![]() |
Pricing (USD) |
Quantity | ||||||||||
![]() |
![]() ATA600VTR |
![]() Apem |
![]() Tactile & Jog Switches Tact Switch 1/2 Pitch DIP Switch |
![]() Data Sheet |
![]()
|
|
||||||||||
![]() |
![]() ATA6025 |
![]() Other |
![]() |
![]() Data Sheet |
![]() Negotiable |
|
||||||||||
![]() |
![]() ATA6025-TAQ |
![]() |
![]() IC MON WATCHDOG/BATT/5V 8-SOIC |
![]() Data Sheet |
![]() Negotiable |
|
||||||||||
![]() |
![]() ATA6025-TAQY |
![]() Atmel |
![]() Supervisory Circuits Watchdog |
![]() Data Sheet |
![]() Negotiable |
|
||||||||||
![]() |
![]() ATA6026-PHQW |
![]() Atmel |
![]() Motor / Motion / Ignition Controllers & Drivers Power Supply System |
![]() Data Sheet |
![]() Negotiable |
|
||||||||||
![]() |
![]() ATA608VTR |
![]() Apem |
![]() Tactile & Jog Switches Tact Switch |
![]() Data Sheet |
![]()
|
|
||||||||||
(Hong Kong)












