Product Summary
The bu508a is a silicon diffused power transistor. The bu508a in a fully isolated SOT199 envelope, primarilies for use in horizontal deflection circuits of colour television receivers.
Parametrics
bu508a absolute maximum ratings: (1)Collector-emitter voltage peak value: 1500 V; (2)Collector-emitter voltage (open base): 700 V; (3)Collector current (DC): 8 A; (4)Collector current peak value: 15 A; (5)Total power dissipation: 34 W; (6)Collector-emitter saturation voltage: 1.0 V; (7)Collector saturation current: 4.5 A; (8)Fall time: 0.7 μs.
Features
bu508a features: (1)Repetitive peak voltage from all three terminals to external; (2)heatsink: 2500 V; (3)Capacitance from T2 to external heatsink: 22 pF; (4)Collector cut-off current: 1.0 mA; (5)Emitter cut-off current: 10 mA; (6)Collector-emitter sustaining voltage: 700 V; (7)Collector-emitter saturation voltages: 1.0 V; (8)Base-emitter saturation voltages: 1.1 V; (9)DC current gain: 6 to 30 V.
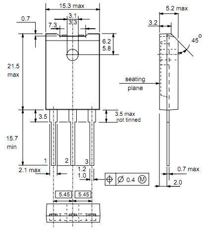
Diagrams

| Image | Part No | Mfg | Description | ![]() |
Pricing (USD) |
Quantity | ||||||||||||
|---|---|---|---|---|---|---|---|---|---|---|---|---|---|---|---|---|---|---|
![]() |
![]() BU508A |
![]() STMicroelectronics |
![]() Transistors Bipolar (BJT) NPN General Purpose |
![]() Data Sheet |
![]() Negotiable |
|
||||||||||||
![]() |
![]() BU508AF |
![]() STMicroelectronics |
![]() Transistors Switching (Resistor Biased) NPN Power Transistor |
![]() Data Sheet |
![]()
|
|
||||||||||||
![]() |
![]() BU508AFI |
![]() STMicroelectronics |
![]() Transistors Bipolar (BJT) NPN General Purpose |
![]() Data Sheet |
![]() Negotiable |
|
||||||||||||
![]() |
![]() BU508AFTBTU |
![]() Fairchild Semiconductor |
![]() Transistors Bipolar (BJT) NPN Triple Diffused Planar Silicon |
![]() Data Sheet |
![]() Negotiable |
|
||||||||||||
![]() |
![]() BU508AW |
![]() STMicroelectronics |
![]() Transistors Bipolar (BJT) Hi Vltg NPN Pwr transistor |
![]() Data Sheet |
![]()
|
|
||||||||||||
![]() |
![]() BU508AX |
![]() Other |
![]() |
![]() Data Sheet |
![]() Negotiable |
|
||||||||||||
(Hong Kong)














