Product Summary
The cxd3172ar is a digital signal processor LSI for CCD black-and-white cameras. In addition to the CDS and AGC circuits of conventional analog signal processor LSI, this chip also features the ease of use and functions of digital signal processing. The application of the cxd3172ar includes Various CCD black-and-white cameras.
Parametrics
cxd3172ar absolute maximum ratings: (1)Supply voltage, VDD (3.3V): VSS–0.3 to +4.6 V; (2)Input voltage, VI (3.3V): VSS–0.3 to VDD3+0.3 V; (3)Output voltage, VO (3.3V): VSS–0.3 to VDD3+0.3 V; (4)Operating temperature, Topr: –20 to +75 ℃; (5)Storage temperature,Tstg: –55 to +125 ℃.
Features
cxd3172ar features: (1)Supports 510H/760H system CCD image sensors; (2)Supports EIA/CCIR modes; (3)Built-in CDS and AGC circuits; (4)Built-in 10-bit A/D converter; (5)Built-in 9-bit D/A converter; (6)Analog and digital signal output; (7)Right/left inverted (mirror image) output function; (8)Horizontal and vertical aperture correction function; (9)Gamma correction curve variable function; (10)Serial communication function; (11)Supports external sync functions Line lock/Vreset HPLL; (12)Supports backlight compensation functions; (13)Character input pin; (14)Blemish detection and compensation function.
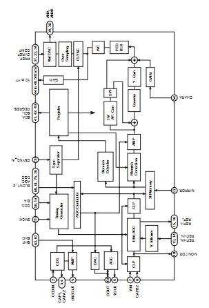
Diagrams

(Hong Kong)






