Product Summary
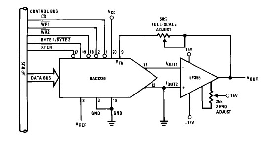
The DAC1210LCJ is a 12-bit multiplying D to A converter. The DAC1210LCJ designed to interface directly with a wide variety of microprocessor (8080, 8048, 8085, Z-80, etc.). Double buffering input register and associated control line allow these DACs to appear as a two-byte ``stack' in the system memory or I/O space with no additional interfacing logic required. The DAC1210LCJ provides all 12 input lines to allow single buffering for maximum throughput when used with 16-bit processor. The DAC1210LCJ input lines can also be externally configured to permit an 8-bit data interface. The DAC1210LCJ can be used with an 8-bit data bus directly as it internally formulates the 12-bit DAC data from its 8 input lines. All of these DACs accept left-justified data from the processor.
Parametrics
DAC1210LCJ absolute maximum ratings: (1)Supply voltage (VCC): 17 VDC; (2)Voltage at any digital input: VCC to GND; (3)Voltage at VREF input: ±25V; (4)Storage temperature range: -65 to +150 ℃; (5)Package dissipation at TA=25 ℃: 500 mW; (6)DC voltage applied to IOUT1 or IOUT2 (Note 4): -100 mV to VCC; (7)ESD susceptability: 800 V.
Features
DAC1210LCJ features: (1)Linearity specified with zero and full-scale adjust only; (2)Direct interface to all popular microprocessors; (3)Double-buffered, single-buffered or flow through digital data inputs; (4)Logic inputs which meet TTL voltage level specs (1.4V logic threshold); (5)Works with g10V referenceDfull 4-quadrant multiplication; (6)Operates stand-alone (without mP)if desired; (7)All parts guaranteed 12-bit monotonic; (8)DAC1230 series is pin compatible with the DAC0830 series 8-bit MICRO-DACs.
Diagrams

(Hong Kong)






