Product Summary
The fga90n33atdtu is a 330V, 90A PDP Trench IGBT. Using Novel the fga90n33atdtu Technology, Fairchild’s new series of the fga90n33atdtu offer the optimum performance for PDP applications where low conduction and switching losses are essential. The application of the fga90n33atdtu includes PDP System.
Parametrics
fga90n33atdtu absolute maximum ratings: (1)VCES, Collector to Emitter Voltage: 330 V; (2)VGES, Gate to Emitter Voltage: ±30 V; (3)IC, Collector Current: 90 A; (4)IC pulse(1), Pulsed Collector Current: 220 A; (5)IC pulse(2), Pulsed Collector Current: 330 A; (6)PD, Maximum Power Dissipation: 223 W; (7)TJ, Operating Junction Temperature: -55 to +150 ℃; (8)Tstg, Storage Temperature Range: -55 to +150 ℃; (9)TL, Maximum Lead Temp. for soldering: 300 ℃.
Features
fga90n33atdtu features: (1)High current capability; (2)Low saturation voltage: VCE(sat)=1.1V @ IC = 20A; (3)High input impedance; (4)Fast switching; (5)RoHS compliant.
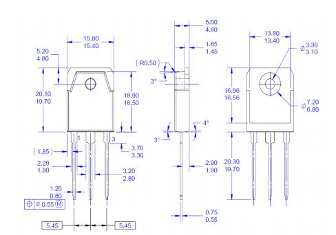
Diagrams

| Image | Part No | Mfg | Description | ![]() |
Pricing (USD) |
Quantity | ||||||||||||
|---|---|---|---|---|---|---|---|---|---|---|---|---|---|---|---|---|---|---|
![]() |
![]() FGA90N33ATDTU |
![]() Fairchild Semiconductor |
![]() IGBT Transistors 330V 90A PDP Trench |
![]() Data Sheet |
![]()
|
|
||||||||||||
| Image | Part No | Mfg | Description | ![]() |
Pricing (USD) |
Quantity | ||||||||||||
![]() |
![]() FGA90N30DTU |
![]() Fairchild Semiconductor |
![]() IGBT Transistors TBD |
![]() Data Sheet |
![]() Negotiable |
|
||||||||||||
![]() |
![]() FGA90N33ATDTU |
![]() Fairchild Semiconductor |
![]() IGBT Transistors 330V 90A PDP Trench |
![]() Data Sheet |
![]()
|
|
||||||||||||
![]() |
![]() FGA90N33ATTU |
![]() Fairchild Semiconductor |
![]() IGBT Transistors 330V 90A PDP Trench |
![]() Data Sheet |
![]()
|
|
||||||||||||
![]() |
![]() FGA90N33ATD |
![]() Other |
![]() |
![]() Data Sheet |
![]() Negotiable |
|
||||||||||||
![]() |
![]() FGA90N33AT |
![]() Other |
![]() |
![]() Data Sheet |
![]() Negotiable |
|
||||||||||||
![]() |
![]() FGA90N30TU |
![]() Fairchild Semiconductor |
![]() IGBT Transistors TBD |
![]() Data Sheet |
![]() Negotiable |
|
||||||||||||
(Hong Kong)










