Product Summary
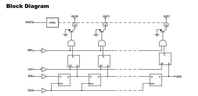
The mbi5040gts is a LED panel display. It contains CMOS shift register and latch functions converting serial input data into parallel output format. At the output stage, eight regulated current sources were designed to provide 5-90 mA constant current for driving LEDs.
Parametrics
mbi5040gts absolute maximum ratings: (1)Supply Voltage VDD: 0 to +7.0 V; (2)Output Voltage VCE: -0.5 to +17.0 V; (3)Output Current IOUT: +90 mA; (4)Input Voltage VIN: -0.4 to VDD+0.4 V; (5)GND Terminal Current IGND: 720 mA; (6)Clock Frequency FCLK: 20 MHZ; (7)Power Dissipation (ON PCB, Ta=25 )℃ CP – type PD: 0.88 W; (8)Thermal Resistance (ON PCB, Ta=25 )℃ CP – type Rth(j-a): 141 °C/W; (9)Operating Temperature Topr: -40 to +85 °C; (10)Storage Temperature Tstg: -55 to +150 °C.
Features
mbi5040gts features: (1)8 constant -current output channels; (2)Output current adjustable through an external resistor; (3)Serial data in /parallel data out; (4)Output current: 5-90 mA; (5)20 MHz clock frequency .
Diagrams

(Hong Kong)






