Product Summary
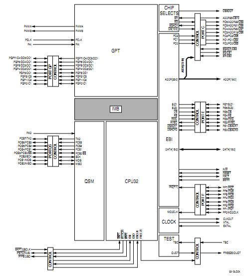
The mc68331cf16b1 is a highly-integrated 32-bit microcontroller. The mc68331cf16b1 combines high-performance data manipulation capabilities with powerful peripheral subsystems. The MCU of the mc68331cf16b1 is built up from standard modules that interface through a common intermodule bus (IMB). Standardization facilitates rapid development of devices tailored for specific applications.
Features
mc68331cf16b1 features: (1)Modular Architecture; (2)Central Processing Unit (CPU32); (3)Upward Object Code Compatible; (4)New Instructions for Controller Applications; (5)32-Bit Architecture; (6)Virtual Memory Implementation; (7)Loop Mode of Instruction Execution; (8)Table Lookup and Interpolate Instruction; (9)Improved Exception Handling for Controller Applications; (10)Trace on Change of Flow; (11)Hardware Breakpoint Signal, Background Mode; (12)Fully Static Operation; (13)System Integration Module (SIM); (14)External Bus Support; (15)Programmable Chip-Select Outputs; (16)System Protection Logic; (17)Watchdog Timer, Clock Monitor, and Bus Monitor; (18)System Protection Logic; (19)System Clock Based on 32.768-kHz Crystal for Low Power Operation; (20)Test/Debug Submodule for Factory/User Test and Development; (21)Queued Serial Module (QSM); (22)Enhanced Serial Communication Interface (SCI), Universal Asynchronous Receiver Transmitter (UART): Modulus Baud Rate, Parity; (23)Queued Serial Peripheral Interface (QSPI): 80-Byte RAM, Up to 16 Automatic Transfers; (24)Dual Function I/O Ports; (25)Continuous Cycling, 8 to 16 Bits per Transfer; (26)General-Purpose Timer (GPT); (27)Two 16-Bit Free-Running Counters With One Nine-Stage Prescaler; (28)Three Input Capture Channels; (29)Four Output Compare Channels; (30)One Input Capture/Output Compare Channel; (31)One Pulse Accumulator/Event Counter Input; (32)Two Pulse-Width Modulation Outputs; (33)Optional External Clock Input.
Diagrams

(Hong Kong)






