Product Summary
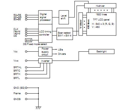
The nl6448ac33-10 is a TFT (thin film transistor) active matrix color liquid crystal display (LCD) comprising amorphous silicon TFT attached to each signal electrode, a driving circuit and a backlight. The nl6448ac33-10 has a built-in backlight. Backlight includes long life lamps, which are replaceable. The applications of the nl6448ac33-10 include Industrial PC, Display terminals for control system, Monitors for process controller.
Parametrics
nl6448ac33-10 absolute maximum ratings: (1)Supply voltage VCC: –0.3 to 6.5 V; (2)Input voltage VI: –0.3 to 6.5 V; (3)Storage temp. TST: –20 to 60 ℃; (4)Operating temp. TOP: 0 to 50 ℃; (5)Humidity RH ≤ 95 % relative humidity.
Features
nl6448ac33-10 features: (1)Reverse function (user set up); (2)6-bit digital RGB signals; (3)3.3 V operation (5.0 V available); (4)Data enable function (DE/Fixed mode select: user set up); (5)Smooth polarizer surface (No antiglare treatment); (6)Incorporated edge type backlight; (7)Backlight tube replaceable.
Diagrams

(Hong Kong)






