Product Summary
The pm600dsa060 is an Intelligent Power Module. The pm600dsa060 is isolated base module designed for power switching applications operating at frequencies to 20kHz. Built-in control circuits of the pm600dsa060 provide optimum gate drive and protection for the IGBT and free-wheel diode power devices. The applications of the pm600dsa060 include Inverters, UPS, Motion/Servo Control, Power Supplies.
Parametrics
pm600dsa060 absolute maximum ratings: (1)Power Device Junction Temperature, Tj: -20 to 150 ℃; (2)Storage Temperature, Tstg: -40 to 125 ℃; (3)Case Operating Temperature, TC: -20 to 100 ℃; (4)Mounting Torque, M4 Mounting Screws: 0.98 to 1.47 Nm; (5)Module Weight (Typical): 60 Grams; (6)Supply Voltage Protected by OC and SC, VCC(prot.): 400 Volts; (7)Isolation Voltage, Viso: 2500 Vrms.
Features
pm600dsa060 features: (1)Complete Output Power Circuit; (2)Gate Drive Circuit; (3)Protection Logic.
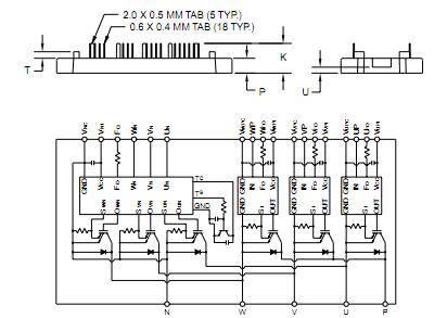
Diagrams

| Image | Part No | Mfg | Description | ![]() |
Pricing (USD) |
Quantity | ||||||||||||
|---|---|---|---|---|---|---|---|---|---|---|---|---|---|---|---|---|---|---|
![]() |
![]() PM600DSA060 |
![]() |
![]() MOD IPM DUAL HF 600V 600A |
![]() Data Sheet |
![]() Negotiable |
|
||||||||||||
| Image | Part No | Mfg | Description | ![]() |
Pricing (USD) |
Quantity | ||||||||||||
![]() |
![]() PM600-01 |
![]() J.W. Miller |
![]() RF Inductors 201.6uH 30% |
![]() Data Sheet |
![]() Negotiable |
|
||||||||||||
![]() |
![]() PM600-01-B |
![]() |
![]() INDUCTOR/XFRMR 201.6UH 6 CONFIG |
![]() Data Sheet |
![]() Negotiable |
|
||||||||||||
![]() |
![]() PM600-01-RC |
![]() Bourns |
![]() RF Inductors 201.6uH 30% |
![]() Data Sheet |
![]()
|
|
||||||||||||
![]() |
![]() PM600-02 |
![]() J.W. Miller |
![]() RF Inductors 89.6uH 30% |
![]() Data Sheet |
![]() Negotiable |
|
||||||||||||
![]() |
![]() PM600-02-B |
![]() |
![]() INDUCTOR/XFRMR 89.6UH 6 CONFIG |
![]() Data Sheet |
![]() Negotiable |
|
||||||||||||
![]() |
![]() PM600-02-RC |
![]() J.W. Miller |
![]() RF Inductors 89.6uH 30% |
![]() Data Sheet |
![]()
|
|
||||||||||||
(Hong Kong)










