Product Summary
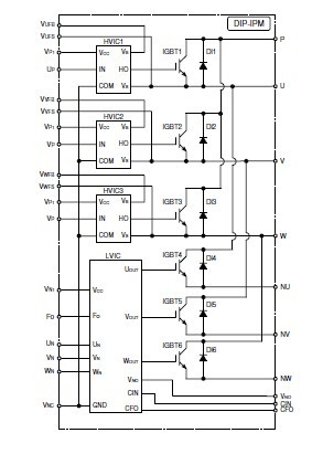
The ps21562-sp is a 600V/5A low-loss 5th generation IGBT inverter bridge for three phase DC-to-AC power conversion. It can be used in AC100V~200V inverter drive for small power motor control.
Parametrics
ps21562-sp absolute maximum ratings: (1)VCC Supply voltage: 450V; (2)VCC(surge) Supply voltage (surge): 500V; (3)VCES Collector-emitter voltage: 600V; (4)±IC Each IGBT collector current: 5A; (5)±ICP Each IGBT collector current (peak): 10A; (6)PC Collector dissipation: 16.7W; (7)Tj Junction temperature: -20~+125℃.
Features
ps21562-sp features: (1)For upper-leg IGBTS: Drive circuit, High voltage isolated high-speed level shifting, Control supply under-voltage (UV) protection; (2)For lower-leg IGBTS: Drive circuit, Control supply under-voltage protection (UV), Short circuit protection (SC); (3)Fault signaling : Corresponding to an SC fault (Lower-leg IGBT) or a UV fault (Lower-side supply); (4)Input interface : 3, 5V line CMOS/TTL compatible. (High Active).
Diagrams

| Image | Part No | Mfg | Description | ![]() |
Pricing (USD) |
Quantity | ||||
|---|---|---|---|---|---|---|---|---|---|---|
![]() |
![]() PS21562-SP |
![]() |
![]() MOD IPM 600V 5A MINI DIP |
![]() Data Sheet |
![]() Negotiable |
|
||||
| Image | Part No | Mfg | Description | ![]() |
Pricing (USD) |
Quantity | ||||
![]() |
![]() PS21204 |
![]() Other |
![]() |
![]() Data Sheet |
![]() Negotiable |
|
||||
![]() |
![]() PS21205 |
![]() Other |
![]() |
![]() Data Sheet |
![]() Negotiable |
|
||||
![]() |
![]() PS21212 |
![]() Other |
![]() |
![]() Data Sheet |
![]() Negotiable |
|
||||
![]() |
![]() PS21244-E |
![]() Other |
![]() |
![]() Data Sheet |
![]() Negotiable |
|
||||
![]() |
![]() PS21244-EP |
![]() |
![]() MOD IPM 600V 15A DIP |
![]() Data Sheet |
![]() Negotiable |
|
||||
![]() |
![]() PS21245-E |
![]() Other |
![]() |
![]() Data Sheet |
![]() Negotiable |
|
||||
(Hong Kong)









