Product Summary
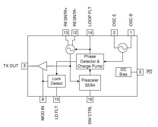
The rf2516tr13 is a monolithic integrated circuit intended for use as a lowcost AM/ASK transmitter. The rf2516tr13 is provided in a 16-pin QSOP-16 package and is designed to provide a phased locked frequency source for use in local oscillator or transmitter applications. The chip can be used in applications in the North American and European VHF/UHF bands. The integrated VCO, phase detector, prescaler, and reference oscillator transistor require only the addition of an external crystal to provide a complete phase-locked loop. In addition to the standard power-down mode, the chip also includes an automatic lock-detect feature that disables the transmitter output when the PLL is out-of-lock. The applications of the rf2516tr13 include 315/433MHz Band Systems, Local Oscillator Source, Part 15.231 Applications, Remote Keyless Entry, Wireless Security Systems, AM/ASK/OOK Transmitter.
Parametrics
rf2516tr13 absolute maximum ratings: (1)Supply Voltage: -0.5 to +3.6 VDC; (2)Power Down Voltage (VPD): -0.5 to VCC V; (3)MOD IN: -0.5 to 1.1 V; (4)Operating Ambient Temperature: -40 to +85 ℃; (5)Storage Temperature: -40 to +150 ℃.
Features
rf2516tr13 features: (1)Fully Integrated PLL Circuit; (2)Integrated VCO and Reference Oscillator; (3)2.25V to 3.6V Supply Voltage; (4)Low Current and Power Down Capability; (5)100 MHz to 500 MHz Frequency Range; (6)Out-of-Lock Inhibit Circuit.
Diagrams

(Hong Kong)






