Product Summary
The s30vta80 is a Phase Bridge Diode. The applications of the s30vta80 include Big Power Supply, Air conditioner, Factory Automation, Inverter.
Parametrics
s30vta80 absolute maximum ratings: (1)Storage Temperature, Tstg: -40 to 150 ℃; (2)Operating Junction Temperature, Tj: 150 ℃; (3)Maximum Reverse Voltage, VRM: 800 V; (4)Average Rectified Forward Current, IO: 30 A; (5)Peak Surge Forward Current, IFSM: 400 A; (6)Current Squared Time, I2t: 800 A2S; (7)Dielectric Strength, Vdis: 2 kV; (8)Mounting Torque, TOR: 0.8 N.m.
Features
s30vta80 features: (1)Dual In-Line Package; (2)Compact 3 phase bridge; (3)High IFSM; (4)Applicable to mount on glass-epoxy substrate.
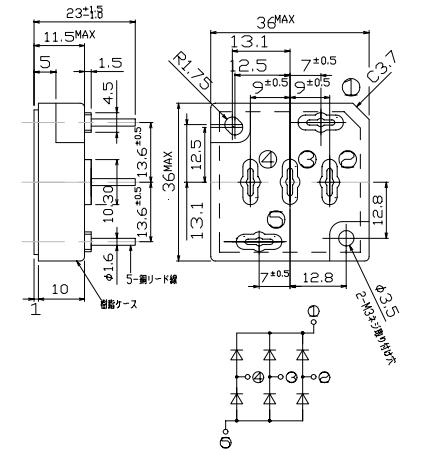
Diagrams

| Image | Part No | Mfg | Description | ![]() |
Pricing (USD) |
Quantity | ||||||
|---|---|---|---|---|---|---|---|---|---|---|---|---|
![]() |
![]() S30VTA80 |
![]() Shindengen |
![]() Bridge Rectifiers |
![]() Data Sheet |
![]() Negotiable |
|
||||||
![]() |
![]() S30VTA80-5000 |
![]() Shindengen |
![]() Bridge Rectifiers |
![]() Data Sheet |
![]()
|
|
||||||
(Hong Kong)









