Product Summary
The 6MBP100RH060 is an IGBT.
Parametrics
6MBP100RH060 absolute maximum ratings: (1)DC bus voltage, VDC: 0 to 900 V; (2)DC bus voltage (surge), VDC(surge): 0 to 1000 V; (3)DC bus voltage (short operating), VSC: 200 to 800 V; (4)Collector-Emitter voltage, VCES: 0 to 1200 V; (5)INV, Collector current, DC, IC: 100 A; 1ms, ICP: 200 A; DC, -IC: 100 A; (6)INV, Collector power dissipation, one transistor, PC: 735 W; (7)Junction temperature, Tj: 150 ℃; (8)Input voltage of power supply for Pre-Driver, VCC: 0 to 20 V; (9)Input signal voltage, Vin: 0 to Vz V; (10)Input signal current, Iin: 1 mA; (11)Alarm signal voltage, VALM: 0 to VCC V; (12)Alarm signal current, IALM: 15 mA; (13)Storage temperature, Tstg: -40 to 125 ℃; (14)Operating case temperature, Top: -20 to 100 ℃; (15)Isolating voltage (Case-Terminal), Viso: AC2.5 kV; (16)Screw torque. Mounting (M5): 3.5 N·m; Terminal (M5): 3.5 N·m.
Features
6MBP100RH060 features: (1)Temperature protection provided by directly detecting the junction temperature of the IGBTs; (2)Low power loss and soft switching; (3)High performance and high reliability IGBT with overheating protection; (4)Higher reliability because of a big decrease in number of parts in built-in control circuit.
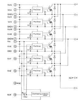
Diagrams

| Image | Part No | Mfg | Description | ![]() |
Pricing (USD) |
Quantity | ||||||||||||
|---|---|---|---|---|---|---|---|---|---|---|---|---|---|---|---|---|---|---|
![]() |
![]() SN75176ADR |
![]() Texas Instruments |
![]() Buffers & Line Drivers Differential Bus Trans |
![]() Data Sheet |
![]()
|
|
||||||||||||
![]() |
![]() SN75176ADRE4 |
![]() Texas Instruments |
![]() Buffers & Line Drivers Differential Bus Transceiver |
![]() Data Sheet |
![]()
|
|
||||||||||||
![]() |
![]() SN75176ADRG4 |
![]() Texas Instruments |
![]() RS-485 Interface IC Differential Bus Transceiver |
![]() Data Sheet |
![]()
|
|
||||||||||||
(Hong Kong)









