Product Summary
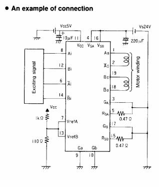
The SS2B003 is a controller IC Module.
Parametrics
SS2B003 absolute maximum ratings: (1)Power supply voltage, +Vs: 40V; (2)Ditto for logic, VCC: 18V; (3)Output current, AO-BO: ±2.0A/phase; (4)Junction temperature: 150℃; (5)Storage temperature: -40 to 125℃; (6)Operating case temp: 80℃.
Features
SS2B003 features: (1)Stepping motors can be driven at their top performance thanks to the constant current control current of PWM mode; (2)This a model that was designed specifically with high reliability in mind for mounting on an automobile, this can stand operation in the temperature from -30 to 80℃; (3)Also capable of micro-step driving; (4)Can be driven at 1.5A/phase output current.
Diagrams

| Image | Part No | Mfg | Description | ![]() |
Pricing (USD) |
Quantity | ||||
|---|---|---|---|---|---|---|---|---|---|---|
![]() |
![]() SS2B003 |
![]() Other |
![]() |
![]() Data Sheet |
![]() Negotiable |
|
||||
| Image | Part No | Mfg | Description | ![]() |
Pricing (USD) |
Quantity | ||||
![]() |
![]() SS2B003 |
![]() Other |
![]() |
![]() Data Sheet |
![]() Negotiable |
|
||||
(Hong Kong)









