Product Summary
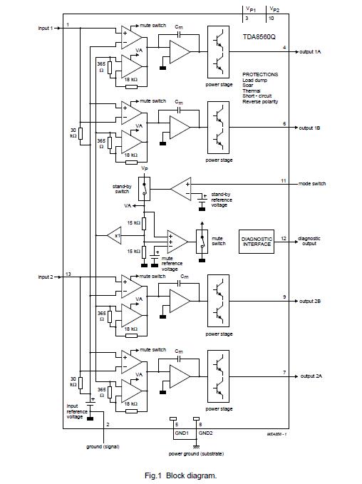
The tda8560q is an integrated class-B output amplifier in a 13-lead single-in-line (SIL) power package. It contains 2×40 W/2 W amplifiers in BTL configuration. The tda8560q is primarily developed for car radio applications.
Parametrics
tda8560q absolute maximum ratings: (1)supply voltage operating: 18 V, non-operating: 30 V, load dump protection during: 45 V; (2)AC and DC short-circuit safe voltage: 18 V; (3)reverse polarity: 6 V; (4)non-repetitive peak output current: 10 A; (5)repetitive peak output current: 7.5 A; (6)total power dissipation: 60 W; (7)storage temperature: -55 to +150 ℃; (8)operating ambient temperature: -40 to +85 ℃; (9)virtual junction temperature: 150 ℃.
Features
tda8560q features: (1)Requires very few external components; (2)High output power; (3)4 W and 2 W load impedance; (4)Low output offset voltage; (5)Fixed gain; (6)Diagnostic facility (distortion, short-circuit and temperature detection); (7)Good ripple rejection; (8)Mode select switch (operating, mute and standby); (9)Load dump protection; (10)Short-circuit safe to ground, to VP and across the load; (11)Low power dissipation in any short-circuit condition.
Diagrams

| Image | Part No | Mfg | Description | ![]() |
Pricing (USD) |
Quantity | ||||
|---|---|---|---|---|---|---|---|---|---|---|
![]() |
![]() TDA8560Q |
![]() Other |
![]() |
![]() Data Sheet |
![]() Negotiable |
|
||||
![]() |
![]() TDA8560Q/N1,112 |
![]() |
![]() IC AMP AUDIO PWR 55W STER 13SIL |
![]() Data Sheet |
![]() Negotiable |
|
||||
![]() |
![]() TDA8560Q/N1C |
![]() NXP Semiconductors |
![]() Audio Amplifiers 2X40W/2 E STEREO BTL RADIO AMP |
![]() Data Sheet |
![]() Negotiable |
|
||||
![]() |
![]() TDA8560Q/N1C,112 |
![]() NXP Semiconductors |
![]() Audio Amplifiers 2X40W/2 E STEREO BTL |
![]() Data Sheet |
![]() Negotiable |
|
||||
(Hong Kong)









