Product Summary
The tsm003 is a Primary PWM Controller. The tsm003 integrated circuits incorporate all circuitry to implement off line or DC-DC power supply applications using a fixed frequency current mode control. Based on a standard current mode PWM controller, is a Primary PWM Controller. The tsm003 integrated includes additional features for higher integration. The application of the tsm003 includes AC/DC adapter.
Parametrics
tsm003 absolute maximum ratings: (1)Vin, DC Supply Voltage (Iin < 50 mA): -0.3 to self limit V; (2)Io, DC output current: 0.1 A; (3)Iopeak, Peak output current: 1 A; (4)Vcomp, COMP terminal voltage: -0.3 to 6.5 V; (5)Isinkcomp, COMP terminal sink current: 6 mA; (6)Vss, SS terminal voltage: -0.3 to 8 V; (7)Vout, OUT terminal voltage: -0.3 to Vin V; (8)Vter, Other terminal voltage: -0.3 to Vref V; (9)Pt, Power dissipation at 25 ℃: 500 mW; (10)Tstg, Storage temperature: -40 to 150 ℃; (11)Tj, Junction temperature: 150 ℃; (12)ESD, Electrostatic Discharge: 2 kV.
Features
tsm003 features: (1)Current-mode PWM Controller; (2)High-current output drive suitable for Power MOSFET; (3)Automatic burst mode in zero-load condition; (4)Primary overcurrent protection; (5)Internal leading edge blanking on current sense; (6)External slope compensation capability; (7)Programmable soft start; (8)Frequency modulation for low emi; (9)Accurate oscillator frequency; (10)77% duty cycle limitation; (11)5V reference; (12)Under voltage protection; (13)Thermal shutdown at 130 ℃; (14)2kV ESD protection.
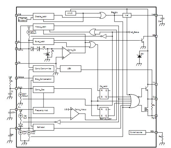
Diagrams

(Hong Kong)






