Product Summary
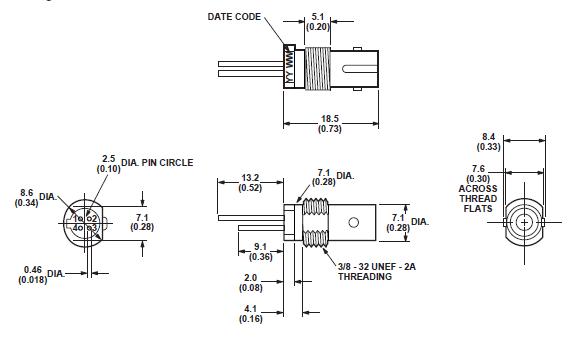
The HFBR-1412TZ is an Optical Transmitter for Industrial Applications with ST-Threaded Port, Standard Power, RoHS Compliant. It is designed to operate fiber optic receiver up to 5MBd. The HFBR-1412TZ is characterized with 50/125 μm, 62.5/125 μm, 100/140 μm, and 200 mm HCS Fiber.
Parametrics
HFBR-1412TZ absolute maximum ratings: (1)Wavelength: 820 nm; (2)Maximum Operating Temperature: + 85℃; (3)Minimum Operating Temperature: - 40℃ to 150℃; (4)Supply Voltage: 5 V.
Features
HFBR-1412TZ features: (1)Low Cost Transmitter; (2)Data Rate up to 5MBd; (3)Link Distances up to 1.5km; (4)Specified with 50/125 μm, 62.5/125 μm, 100/140 μm, and 200 mm HCS Fiber; (5)Wide Operating Temperature Range -40℃ to +85℃; (6)820nm AlGaAs Emitters 100% Burn-In Ensures High Reliability; (7)Unique Optical Port Design for Efficient Coupling; (8)Auto-Insertable and Wave Solderable; (9)No Board Mounting Hardware Required.
Diagrams

| Image | Part No | Mfg | Description | ![]() |
Pricing (USD) |
Quantity | ||||||||||||
|---|---|---|---|---|---|---|---|---|---|---|---|---|---|---|---|---|---|---|
![]() |
![]() HFBR-1412TZ |
![]() Avago Technologies |
![]() Fiber Optic Transmitters, Receivers, Transceivers Low Cost Std STT FO Tx -Pb free |
![]() Data Sheet |
![]()
|
|
||||||||||||
| Image | Part No | Mfg | Description | ![]() |
Pricing (USD) |
Quantity | ||||||||||||
![]() |
![]() HFBR-0310 |
![]() Avago Technologies |
![]() Fiber Optic Development Tools 155 MBd Txcvr Evaluation Kit |
![]() Data Sheet |
![]() Negotiable |
|
||||||||||||
![]() |
![]() HFBR-0310Z |
![]() Avago Technologies |
![]() Fiber Optic Development Tools 125MBd 1300nm Evaluation Kit |
![]() Data Sheet |
![]()
|
|
||||||||||||
![]() |
![]() HFBR-0319 |
![]() Avago Technologies |
![]() Fiber Optic Development Tools 1X9 Fiber Optic Evaluation Kit |
![]() Data Sheet |
![]()
|
|
||||||||||||
![]() |
![]() HFBR-0400 |
![]() Avago Technologies |
![]() Fiber Optic Development Tools SMA Fiber Optic Evaluation Kit |
![]() Data Sheet |
![]() Negotiable |
|
||||||||||||
![]() |
![]() HFBR-0410 |
![]() Avago Technologies |
![]() Fiber Optic Development Tools ST Fiber Optic Evaluation Kit |
![]() Data Sheet |
![]() Negotiable |
|
||||||||||||
![]() |
![]() HFBR-0410Z |
![]() Avago Technologies |
![]() Fiber Optic Development Tools DC-5MBd 820nm Evaluation Kit |
![]() Data Sheet |
![]()
|
|
||||||||||||
(Hong Kong)









