Product Summary
The PIC18F4533-IPT is an Enhanced FLASH Microcontroller. The PIC18F4533-IPT offers the advantages of all PIC18 micro-controllers-namely, high computational performance at an economical price-with the addition of high-endur-ance Enhanced FLASH program memory. The PIC18F4533-IPT also provides an off-the-shelf solution for simple motor control applications, allowing users to create speed control solutions with small part counts and short development times.
Parametrics
PIC18F4533-IPT absolute maximum ratings: (1)Ambient temperature under bias: -55℃ to +125℃; (2)Storage temperature: -65℃ to +150℃; (3)Voltage on any pin with respect to VSS (except VDD, MCLR, and RA4): -0.3V to (VDD + 0.3V); (4)Voltage on VDD with respect to VSS: -0.3V to +7.5V; (5)Voltage on MCLR with respect to VSS (Note 2): 0V to +13.25V; (6)Voltage on RA4 with respect to Vss: 0V to +8.5V; (7)Total power dissipation: 1.0W; (8)Maximum current out of VSS pin: 300 mA; (9)Maximum current into VDD pin: 250 mA; (10)Input clamp current, IIK (VI < 0 or VI > VDD): ±20 mA; (11)Output clamp current, IOK (VO < 0 or VO > VDD): ±20 mA; (12)Maximum output current sunk by any I/O pin: 25 mA; (13)Maximum output current sourced by any I/O pin: 25 mA; (14)Maximum current sunk by PORTA, PORTB, and PORTE: 200 mA; (15)Maximum current sourced by PORTA, PORTB, and PORTE: 200 mA; (16)Maximum current sunk by PORTC and PORTD: 200 mA; (17)Maximum current sourced by PORTC and PORTD: 200 mA.
Features
PIC18F4533-IPT features: (1)Linear program memory addressing to 24 Kbytes; (2)Linear data memory addressing to 1.4 Kbytes; (3)20 MHz operation (5 MIPs): 20 MHz oscillator/clock input; 5 MHz oscillator/clock input with PLL active; (4)16-bit wide instructions, 8-bit wide data path; (5)8 x 8 Single Cycle Hardware Multiplier; (6)100,000 erase/write cycle Enhanced FLASH program memory typical; (7)1,000,000 erase/write cycle Data EEPROM memory; (8)FLASH/Data EEPROM Retention: > 100 years; (9)Power-on Reset (POR), Power-up Timer (PWRT) and Oscillator Start-up Timer (OST); (10)Programmable code protection; (11)Power saving SLEEP mode; (12)Single supply 5V In-Circuit Serial Programming (ICSP) via two pins; (13)In-Circuit Debug (ICD) via two pins.
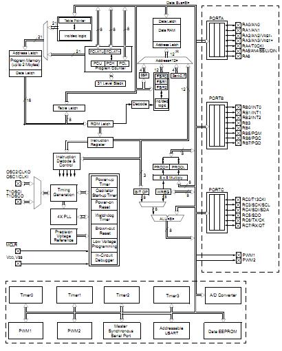
Diagrams

(Hong Kong)






