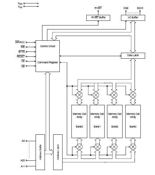
Product Summary
The TC58FVM5T2ATG65 is a 33554432-bit, 3.0-V read-only electrically erasable and programmable flash memory organized as 4194304 words × 8 bits or as 2097152 words × 16 bits. The TC58FVM5T2ATG65 features commands for Read, Program and Erase operations to allow easy interfacing with microprocessors. The commands are based on the JEDEC standard. The Program and Erase operations are automatically executed in the chip. The TC58FVM5T2ATG65 also features a Simultaneous Read/Write operation so that data can be read during a Write or Erase operation.
Parametrics
TC58FVM5T2ATG65 absolute maximum ratings: (1)VDD VDD Supply Voltage: -0.6~4.6 V; (2)VIN Input Voltage: -0.6~VDD + 0.5 (≤ 4.6)V; (3)VDQ Input/Output Voltage: -0.6~VDD + 0.5 (≤ 4.6)(1)V; (4)VIDH Maximum Input Voltage for A9, OE and RESET: 13.0 V; (5)VACCH Maximum Input Voltage for WP/ACC: 10.5 V; (6)PD Power Dissipation: 600 mW; (7)Tsolder Soldering Temperature (10s): 260 °C; (8)Tstg Storage Temperature: -55~150 °C; (9)Topr Operating Temperature: -40~85 °C; (10)IOSHORT Output Short-Circuit Current: 100 mA.
Features
TC58FVM5T2ATG65 features: (1)Simultaneous Read/Write; (2)Page Read; (3)Auto Program, Auto Page Program; (4)Auto Block Erase, Auto Chip Erase; (5)Fast Program Mode/Acceleration Mode; (6)Program Suspend/Resume; (7)Erase Suspend/Resume; (8)data polling/Toggle bit; (9)block protection, boot block protection; (10)Automatic Sleep, support for hidden ROM area; (11)common flash memory interface (CFI); (12)Byte/Word Modes.
Diagrams

| Image | Part No | Mfg | Description | ![]() |
Pricing (USD) |
Quantity | ||||||||
|---|---|---|---|---|---|---|---|---|---|---|---|---|---|---|
![]() |
![]() TC58FVM5T2ATG65CAH |
![]() |
![]() IC FLASH 32MBIT 65NS 48TSOP |
![]() Data Sheet |
![]() Negotiable |
|
||||||||
| Image | Part No | Mfg | Description | ![]() |
Pricing (USD) |
Quantity | ||||||||
![]() |
![]() TC58 |
![]() Cornell Dubilier |
![]() Aluminum Electrolytic Capacitors - Leaded 250V 40uF ELEC AXIAL |
![]() Data Sheet |
![]()
|
|
||||||||
![]() |
![]() TC581282A |
![]() Other |
![]() |
![]() Data Sheet |
![]() Negotiable |
|
||||||||
![]() |
![]() TC581282AXB |
![]() Other |
![]() |
![]() Data Sheet |
![]() Negotiable |
|
||||||||
![]() |
![]() TC58128A |
![]() Other |
![]() |
![]() Data Sheet |
![]() Negotiable |
|
||||||||
![]() |
![]() TC58128AFTI |
![]() |
![]() IC FLASH 128MBIT 50NS 48TSOP |
![]() Data Sheet |
![]() Negotiable |
|
||||||||
![]() |
![]() TC5816BFT |
![]() Other |
![]() |
![]() Data Sheet |
![]() Negotiable |
|
||||||||
(Hong Kong)










