Product Summary
The esm7545dv is an NPN darlington power module.
Parametrics
esm7545dv absolute maximum ratings: (1)VCEV collector-emitter voltage (VBE = -5V): 600V; (2)VCEO collector-emitter voltage: 450V; (3)VEBO emitter-base voltage (IC = 0): 7V; (4)IC collector current: 75A; (5)ICM collector peak current: 112A; (6)IB base current: 5A; (7)IBM base peak current: 7A; (8)Ptot total dissipation at TC = 25℃: 250W; (9)Tstg storage temperature: -55 to 150℃; (10)Tj max. operating junction temperature: 150℃; (11)VISO insulation withstand voltage: 2500V.
Features
esm7545dv features: (1)high current power bipolar module; (2)yery low Rth junction case; (3)specified accidental overload areas; (4)ultrafast freewheeling diode; (5)isolated case; (6)easy to mount; (7)low internal parasitic inductance.
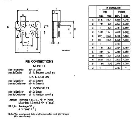
Diagrams

| Image | Part No | Mfg | Description | ![]() |
Pricing (USD) |
Quantity | ||||
|---|---|---|---|---|---|---|---|---|---|---|
![]() |
![]() ESM7545DV |
![]() Other |
![]() |
![]() Data Sheet |
![]() Negotiable |
|
||||
| Image | Part No | Mfg | Description | ![]() |
Pricing (USD) |
Quantity | ||||
![]() |
![]() ESM7545DV |
![]() Other |
![]() |
![]() Data Sheet |
![]() Negotiable |
|
||||
![]() |
![]() ESM765-800 |
![]() Other |
![]() |
![]() Data Sheet |
![]() Negotiable |
|
||||
![]() |
![]() ESM765PI-800 |
![]() Other |
![]() |
![]() Data Sheet |
![]() Negotiable |
|
||||
(Hong Kong)









