Product Summary
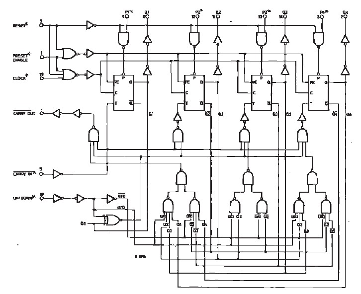
The HCF4510BE is a presettable BCD up/down counter. The HCF4510BE can be cleared by a high level on the reset line, and can be preset to any binary number present on the jam inputs by a high level on the preset enable line. The HCF4510BE will count out of non-bcd counter states in a maximum of two clock pulses in the up mode, and a maximum of four clock pulses in the down mode. If the carry-in input is held low, the counter advances up or down on each positive-going clock transition. Synchronous cascading is accomplished by connecting all clock inputs in parallel and connecting the carry-out of a less significant stage to the carry-in of a more significant stage. The HCF4510BE can be loaded in the ripple mode by connecting the carry-out to the clock of the next stage. If the up/down input changes during a terminal count, the carry-out must be gated with the clock, and the up/down input must change while the clock is high. this method provides a clean clock signal to the subsequent counting stage.
Parametrics
HCF4510BE absolute maximum ratings: (1)Supply voltage: -0.5 to +18 V; (2)Input voltage: -0.5 to VDD + 0.5 V; (3)DC input current (any one input): ± 10 mA; (4)Total power dissipation (per package): 200 mW; (5)Dissipation per output transistor for top = Full package temperature range: 100 mW; (6)Operating temperature: -40 to +85 ℃; (7)Storage temperature: -65 to +150 ℃.
Features
HCF4510BE features: (1)Medium speed operatio=8MHz typ.AT10V; (2)Synchronous internal carry propagation; (3)Resetand presetcapability; (4)Quiescentcurrent specified TO15V; (5)5V, 10V,and15V parametric ratings; (6)Inputcurrent of 100nA at 15v and 25°C; (7)100%tested forquiescent current meets all requirements of jedec tentative standard No. 13A, ”standard specifications for descriptioof ”B” seriescmos devices”.
Diagrams

| Image | Part No | Mfg | Description | ![]() |
Pricing (USD) |
Quantity | ||||||||||||||||||
|---|---|---|---|---|---|---|---|---|---|---|---|---|---|---|---|---|---|---|---|---|---|---|---|---|
![]() |
![]() HCF4510BEY |
![]() STMicroelectronics |
![]() Counter Shift Registers REORD 526-NTE4510B 4-BIT BCD UP/DWN CNT |
![]() Data Sheet |
![]() Negotiable |
|
||||||||||||||||||
| Image | Part No | Mfg | Description | ![]() |
Pricing (USD) |
Quantity | ||||||||||||||||||
![]() |
![]() HCF4001B |
![]() Other |
![]() |
![]() Data Sheet |
![]() Negotiable |
|
||||||||||||||||||
![]() |
![]() HCF4001BEY |
![]() STMicroelectronics |
![]() Gates (AND / NAND / OR / NOR) Quad 2-Input NOR |
![]() Data Sheet |
![]()
|
|
||||||||||||||||||
![]() |
![]() HCF4001M013TR |
![]() |
![]() IC GATE NOR QUAD 2INP 14-SOIC |
![]() Data Sheet |
![]()
|
|
||||||||||||||||||
![]() |
![]() HCF4002B |
![]() Other |
![]() |
![]() Data Sheet |
![]() Negotiable |
|
||||||||||||||||||
![]() |
![]() HCF4006B |
![]() Other |
![]() |
![]() Data Sheet |
![]() Negotiable |
|
||||||||||||||||||
![]() |
![]() HCF4007UB |
![]() Other |
![]() |
![]() Data Sheet |
![]() Negotiable |
|
||||||||||||||||||
(Hong Kong)











