Product Summary
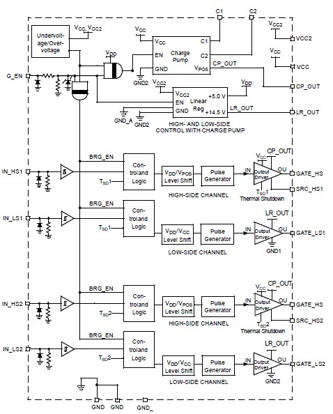
The mcz33883eg is an H-bridge gate driver (also known as a full-bridge pre-driver) IC with integrated charge pump and independent highand low-side gate driver channels. The gate driver channels of the mcz33883eg are independently controlled by four separate input terminals, thus allowing the device to be optionally configured as two independent high-side gate drivers and two independent low-side gate drivers. The low-side channels are referenced to ground. The high-side channels are floating. The gate driver outputs of the mcz33883eg can source and sink up to 1.0 A peak current pulses, permitting large gate-charge MOSFETs to be driven and/or high Pulse Width Modulation (PWM) frequencies to be utilized. A linear regulator is incorporated, providing a 15 V typical gate supply to the low-side gate drivers.
Parametrics
mcz33883eg absolute maximum ratings: (1)Supply Voltage VCC: -0.3 to 65 V; (2)Supply Voltage VCC: -0.3 to 35 V; (3)Linear Regulator Output Voltage VLR_OUT: -0.3 to 18 V; (4)High-Side Floating Supply Absolute Voltage VCP_OUT: -0.3 to 65 V; (5)High-Side Floating Source Voltage VSRC_HS: -2.0 to 65 V; (6)High-Side Source Current from CP_OUT in Switch ON State IS: 250 mA; (7)High-Side Gate Voltage VGATE_HS: -0.3 to 65 V; (8)High-Side Gate Source Voltage VGATE_HS - VSRC_HS: -0.3 to 20 V; (9)High-Side Floating Supply Gate Voltage VCP_OUT - VGATE_HS: -0.3 to 65 V; (10)Low-Side Gate Voltage VGATE_LS: -0.3 to 17 V; (11)Wake-Up Voltage VG_EN: -0.3 to 35 V; (12)Logic Input Voltage VIN: -0.3 to 10 V; (13)Charge Pump Capacitor Voltage VC1: -0.3 to VLR_OUT V; (14)Charge Pump Capacitor Voltage VC2: -0.3 to 65 V.
Features
mcz33883eg features: (1)VCC Operating Voltage Range from 5.5 V up to 55 V; (2)VCC2 Operating Voltage Range from 5.5 V up to 28 V; (3)CMOS / LSTTL Compatible I / O; (4)1.0 A Peak Gate Driver Current; (5)Built-In High-Side Charge Pump; (6)Undervoltage Lockout (UVLO); (7)Overvoltage Lockout (OVLO); (8)Global Enable with <10 μA Sleep Mode; (9)Supports PWM up to 100 kHz; (10)Pb-Free Packaging Designated by Suffix Code EG.
Diagrams

| Image | Part No | Mfg | Description | ![]() |
Pricing (USD) |
Quantity | ||||
|---|---|---|---|---|---|---|---|---|---|---|
![]() |
![]() MCZ33883EG |
![]() Freescale Semiconductor |
![]() Power Driver ICs FULL BRIDGE GATE DRIVER |
![]() Data Sheet |
![]() Negotiable |
|
||||
![]() |
![]() MCZ33883EGR2 |
![]() Freescale Semiconductor |
![]() Power Driver ICs FULL BRIDGE GATE DRIVER |
![]() Data Sheet |
![]() Negotiable |
|
||||
(Hong Kong)









