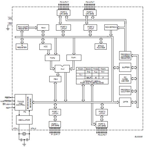
Product Summary
The p87c550ebaa is a high-performance microcontroller fabricated with Philips high-density CMOS technology. This Philips CMOS technology of the p87c550ebaa combines the high speed and density characteristics of HMOS with the low power attributes of CMOS. Philips epitaxial substrate minimizes latch-up sensitivity. The CMOS 8XC550 has the same instruction set as the 80C51.
Parametrics
p87c550ebaa absolute maximum ratings: (1)VIL, Input low voltage, except EA: –0.5 to 0.2VCC–0.15 V; (2)VIL1, Input low voltage to EA: 0 to 0.2VCC–0.35 V; (3)VIH, Input high voltage, except XTAL1, RST: 0.2VCC+1 to VCC+0.5 V; (4)VIH1, Input high voltage to XTAL1, RST: 0.7VCC+0.1 to VCC+0.5 V; (5)IIL, Logical 0 input current, ports 2, 3: –75 μA; (6)ITL, Logical 1-to-0 transition current, ports 2, 3: –750 μA; (7)ICC Power supply current: 35 to 50 mA.
Features
p87c550ebaa features: (1)80C51 based architecture, Eight channels of 8-bit A/D; (2)Memory addressing capability, 64k ROM and 64k RAM; (3)Power control modes: Idle mode, Power-down mode; (4)CMOS and TTL compatible; (5)One speed range at VCC = 5V ±10%, 3.5 to 16MHz; (6)Extended temperature ranges; (7)OTP package available.
Diagrams

(Hong Kong)






