Product Summary
The p89c51ubp is a non-volatile FLASH program memory. The p89c51ubp is parallel programmable. For devices that are serial programmable (In System Programmable (ISP) with a boot loader), see the 89C51RC+/89C51RD+ datasheet.
Parametrics
p89c51ubp absolute maximum ratings: (1)Operating temperature under bias: 0 to +70 or –40 to +85 ℃; (2)Storage temperature range: –65 to +150 ℃; (3)Voltage on EA/VPP pin to VSS: 0 to +13.0 V; (4)Voltage on any other pin to VSS: –0.5 to +6.5 V; (5)Maximum IOL per I/O pin: 15 mA; (6)Power dissipation (based on package heat transfer limitations, not device power consumption): 1.5 W.
Features
p89c51ubp features: (1)80C51 Central Processing Unit; (2)On-chip FLASH Program Memory; (3)Speed up to 33 MHz; (4)Full static operation; (5)RAM expandable externally to 64 k bytes; (6)4 level priority interrupt; (7)6 interrupt sources; (8)Four 8-bit I/O ports; (9)Full-duplex enhanced UART; (10)Power control modes; (11)Programmable clock out; (12)Second DPTR register; (13)Asynchronous port reset; (14)Low EMI (inhibit ALE); (15)3 16-bit timers; (16)Wake up from power down by an external interrupt.
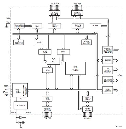
Diagrams

(Hong Kong)






