Product Summary
The sn74lvc3g34dcur is a TRIPLE BUFFER GATE in IC packaging concepts, using the die as the package. The sn74lvc3g34dcur is fully specified for partial-power-down applications using Ioff. The Ioff circuitry disables the outputs, preventing damaging current backflow through the device when it is powered down.
Parametrics
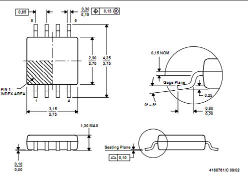
sn74lvc3g34dcur absolute maximum ratings: (1)Supply voltage range, VCC: 0.5 V to 6.5 V; (2)Input voltage range, VI: 0.5 V to 6.5 V; (3)Voltage range applied to any output in the high-impedance or power-off state, VO: 0.5 V to 6.5 V; (4)Voltage range applied to any output in the high or low state, VO: 0.5 V to VCC + 0.5 V; (5)Input clamp current, IIK (VI < 0): 50 mA; (6)Output clamp current, IOK (VO < 0): 50 mA; (7)Continuous output current, IO: ±50 mA; (8)Continuous current through VCC or GND: ±100 mA; (9)Package thermal impedance, JA: DCT package: 220℃/W.
Features
sn74lvc3g34dcur features: (1)Available in the Texas Instruments NanoStar and NanoFree? Packages; (2)Supports 5-V VCC Operation; (3)Inputs Accept Voltages to 5.5 V; (4)Max tpd of 4.1 ns at 3.3 V; (5)Low Power Consumption, 10-μA Max ICC; (6)±24-mA Output Drive at 3.3 V; (7)Typical VOLP (Output Ground Bounce) <0.8 V at VCC = 3.3 V, TA = 25 ℃; (8)Typical VOHV (Output VOH Undershoot) >2 V at VCC = 3.3 V, TA = 25℃; (9)Ioff Supports Partial-Power-Down Mode Operation; (10)Latch-Up Performance Exceeds 100 mA Per JESD 78, Class II; (11)ESD Protection Exceeds JESD 22,2000-V Human-Body Model (A114-A), 200-V Machine Model (A115-A), 1000-V Charged-Device Model (C101).
Diagrams

| Image | Part No | Mfg | Description | ![]() |
Pricing (USD) |
Quantity | ||||||||||||
|---|---|---|---|---|---|---|---|---|---|---|---|---|---|---|---|---|---|---|
![]() |
![]() SN74LVC3G34DCUR |
![]() Texas Instruments |
![]() Buffers & Line Drivers Triple |
![]() Data Sheet |
![]()
|
|
||||||||||||
![]() |
![]() SN74LVC3G34DCURE4 |
![]() Texas Instruments |
![]() Buffers & Line Drivers Dual 1-Of-4 FET Mltplxr/Demltplxr |
![]() Data Sheet |
![]() Negotiable |
|
||||||||||||
![]() |
![]() SN74LVC3G34DCURG4 |
![]() Texas Instruments |
![]() Buffers & Line Drivers Triple Buffer Gate |
![]() Data Sheet |
![]()
|
|
||||||||||||
(Hong Kong)









