Product Summary
The zjkd5103-15ta is a 3-terminal Filter. The applications of it are OA equipment (Computers, terminal equipment, word processors, facsimiles, etc.), FA equipment (Robots, NC manufacturing machineries, process controllers, etc.), AE equipment (Automotive engine control units, etc.), HE equipment.
Parametrics
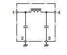
zjkd5103-15ta absolute maximum ratings: (1)Rated voltage Edc(V)max.: 50V; (2)Rated current(A)max. : 3A; (3)Withstand voltage Edc(V): 125V; (4)Insulation resistance min.[DC. 50V, 1 min]: 100mΩ; (5)DC resistance max.[Between terminal No.1 to 4]: 0.02Ω; (6)Operating temperature range: –25 to +85°C.
Features
zjkd5103-15ta features: (1)These SIP type EMC filters provide superior attenuation capabilities from MF to VHF bands. They are particularly effective in the microcomputer frequency range, where they provide attenuation characteristics far superior to tantalum capacitors; (2)Its SIP type structure allows a wide variety of applications to IC substates; (3)The use of chip capacitors results in a high degree of miniaturization, enabling these parts to be used in high-density circuit board designs; (4)Transfer molding is used to strengthen types -00 and -05.
Diagrams

(Hong Kong)






