Product Summary
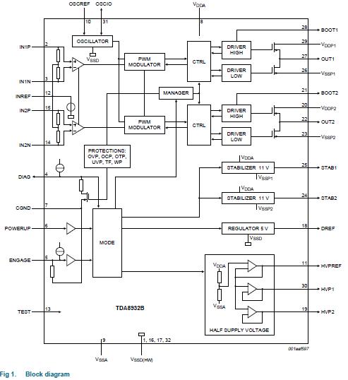
The TDA8932BT is a high efficiency class-D amplifier with low power dissipation. The continuous time output power is 2 × 15 W in stereo half-bridge application (RL = 4 W) or 1 × 30 W in mono full-bridge application (RL = 8 W). Due to the low power dissipation the device can be used without any external heat sink when playing music. Due to the implementation of thermal foldback, even for high supply voltages and/or lower load impedances, the TDA8932BT continues to operate with considerable music output power without the need for an external heat sink. The applications of the TDA8932BT include Flat panel television sets, Flat panel monitor sets, Multimedia systems, Wireless speakers, Mini and micro systems, Home sound sets.
Parametrics
TDA8932BT absolute maximum ratings: (1)supply voltage asymmetrical supply, VP: -0.3 to +40 V; (2)voltage on pin x, IN1P, IN1N, IN2P, IN2N, Vx: -5 to +5 V; OSCREF, OSCIO, TEST, Vx: VSSD(HW) -0.3 to 5 V; POWERUP, ENGAGE, DIAG, Vx: VCGND -0.3 to 6 V; all other pins, Vx: VSS -0.3 to VDD +0.3 V; (3)repetitive peak output current, IORM: 4A; (4)junction temperature, Tj: 150℃; (5)storage temperature, Tstg: -55 to +150℃; (6)ambient temperature, Tamb: -40 to +85℃; (7)power dissipation, P: 5W; (8)electrostatic discharge voltage, HBM, Vesd: -2000 to +2000 V; MM, Vesd: -200 to +200 V.
Features
TDA8932BT features: (1)Operating voltage from 10 V to 36 V asymmetrical or ±5 V to ±18 V symmetrical; (2)Mono-bridged tied load (full-bridge) or stereo single-ended (half-bridge) application; (3)Application without heat sink using thermally enhanced small outline package; (4)High efficiency and low-power dissipation; (5)Thermally protected and thermal foldback; (6)Current limiting to avoid audio holes; (7)Full short-circuit proof across load and to supply lines (using advanced current protection); (8)Switchable internal or external oscillator (master-slave setting); (9)No pop noise; (10)Full-differential inputs.
Diagrams

| Image | Part No | Mfg | Description | ![]() |
Pricing (USD) |
Quantity | ||||||||||||
|---|---|---|---|---|---|---|---|---|---|---|---|---|---|---|---|---|---|---|
![]() |
![]() TDA8932BT |
![]() NXP Semiconductors |
![]() Audio Amplifiers 2X15W BTL CLASS D AMP+VOLCTRL |
![]() Data Sheet |
![]() Negotiable |
|
||||||||||||
![]() |
![]() TDA8932BT/N2 |
![]() Other |
![]() |
![]() Data Sheet |
![]() Negotiable |
|
||||||||||||
![]() |
![]() TDA8932BT/N2,112 |
![]() NXP Semiconductors |
![]() Audio Amplifiers 2X15W BTL CLASS D |
![]() Data Sheet |
![]()
|
|
||||||||||||
![]() |
![]() TDA8932BT/N2,118 |
![]() NXP Semiconductors |
![]() Audio Amplifiers 2X15W BTL CLASS D |
![]() Data Sheet |
![]()
|
|
||||||||||||
![]() |
![]() TDA8932BTW |
![]() NXP Semiconductors |
![]() Audio Amplifiers 2X15W BTL CLASS D AMP+VOLCTRL |
![]() Data Sheet |
![]() Negotiable |
|
||||||||||||
![]() |
![]() TDA8932BT-T |
![]() NXP Semiconductors |
![]() Audio Amplifiers 2X15W BTL CLASS D AMP+VOLCTRL |
![]() Data Sheet |
![]() Negotiable |
|
||||||||||||
![]() |
![]() TDA8932BTW/N2,118 |
![]() NXP Semiconductors |
![]() Audio Amplifiers Class-D Audio Amp |
![]() Data Sheet |
![]()
|
|
||||||||||||
![]() |
![]() TDA8932BTW/N2,112 |
![]() NXP Semiconductors |
![]() Audio Amplifiers 2X15W BTL CLASS D |
![]() Data Sheet |
![]()
|
|
||||||||||||
(Hong Kong)










