Product Summary
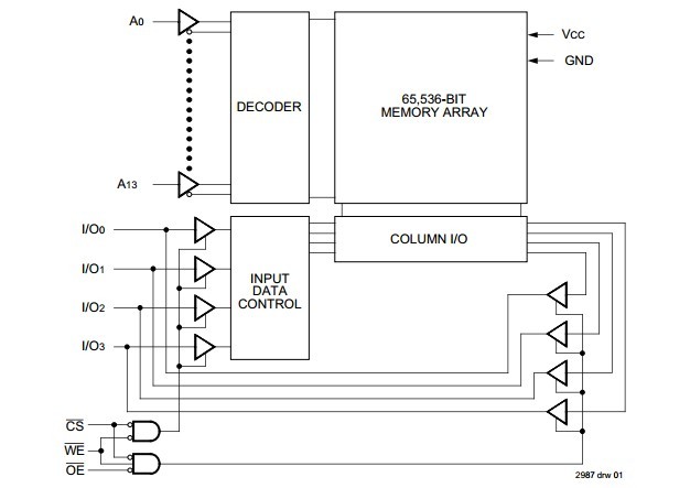
The idt6198s15y is a 65,536-bit high-speed static RAM organized as 16K x 4. It is fabricated using IDT’s high-performance, high-reliability technology—CMOS. This state-of-theart technology, combined with innovative circuit design techniques, provides a cost-effective approach for memory intensive applications. Timing parameters have been specified to meet the speed demands of the IDT79R3000 RISC processors.
Parametrics
idt6198s15y absolute maximum ratings: (1)VTERM Terminal Voltage: –0.5 to +7.0 V; (2)TA Operating: 0 to +70; (3)TBIAS Temperature: –55 to +125°C; (4)TSTG Storage: –55 to +125°C; (5)PT Power Dissipation: 1.0 W; (6)IOUT DC Output: 50 mA.
Features
idt6198s15y features: (1)High-speed (equal access and cycle times): Military: 20/25/35/45/55/70/85ns (max.); Commercial: 15/20/25/35ns (max.); (2)Output Enable (OE)pin available for added system flexibility; (3)Low-power consumption; (4)JEDEC compatible pinout; (5)Battery back-up operation—2V data retention (L version only); (6)24-pin CERDIP, high-density 28-pin leadless chip carrier, and 24-pin SOJ; (7)Produced with advanced CMOS technology; (8)Bidirectional data inputs and outputs; (9)Military product compliant to MIL-STD-883, Class B.
Diagrams

(Hong Kong)






